 |
|
Seite erweitert April 2025 |
 |
Kontakt |
 |
|
 |
Programmübersicht |
 |
|
 |
Bestelltext |
 |
|
|
Infos auf dieser Seite |
... als pdf |
 |
|
 |
 |
Allgemeines ........................... |
 |
|
 |
Flanschwinkel Biegung ........... |
 |
|
 |
Schrauben Lochleibung ......... |
 |
|
 |
Stützenstegfeld Schub ............ |
 |
|
 |
Flansch / Steg Druck .............. |
 |
|
 |
Schweißnähte ........................ |
 |
|
 |
Träger-/Stützensteg Querdruck |
 |
|
 |
Trägersteg Zug ....................... |
 |
|
 |
Vouten ................................... |
 |
|
 |
Stützensteg Querzug .............. |
 |
|
 |
Blech Zug / Druck / Schub ..... |
 |
|
 |
Stirnblech mit Trennschicht .... |
 |
|
 |
Stützenflansch Biegung .......... |
 |
|
 |
Schrauben mit Zug ................. |
 |
|
 |
Stahlsorten ............................ |
 |
|
 |
Stirnblech Biegung ................. |
 |
|
 |
Schrauben Abscheren ............. |
 |
|
 |
nationale Anhänge .................. |
 |
|
|
|
 |
Ausdrucksteuerung ................. |
 |
|
|
|
|
 |
|
 |
EC 3-1-8, 6, Tab. 6.1 |
|
|
 |
Grundidee |
|
 |
|
Mit Einführung des Eurocode 3-1-8 wurde
die Komponentenmethode zur Bemessung von Stahlbauanschlüssen
vorgestellt. Der Kräfteverlauf innerhalb eines Anschlusses
wird in seine grundlegenden Komponenten zerlegt, die unabhängig
voneinander einzeln nachgewiesen werden können. |
Das Programm 4H-EC3GK beinhaltet
14 Grundkomponenten, um auch allgemeine Anschlussgeometrien
abbilden
zu können. |
|
 |
Anschlusskonfiguration |
|
 |
|
Ein Anschluss mit H- oder I-Profilen wird
als eine Zusammenstellung von Grundkomponenten betrachtet. |
Die Berechnungsverfahren zur Bestimmung
der Momententragfähigkeit beruhen auf einer Verteilung
der inneren Kräfte und Momente, die zu folgenden
Anschlusskonfigurationen gehört: |
|
1 |
einseitiger Träger-Stützenanschluss |
2 |
zweiseitiger Träger-Stützenanschluss |
3 |
Trägerstoß |
4 |
Stützenstoß |
5 |
Fußplatte |
|
 |
|
|
Anschlusskonfigurationen
um die schwache Achse gelten nur für ausgeglichene
Momente |
 |
|
|
 |
statisches Modell für Träger-Stützenanschlüsse |
|
 |
|
Die Anschlüsse sind für die durch
die angeschlossenen Bauteile eingetragenen Schnittgrößen
zu bemessen. |
|
 |
|
Die angegebenen Berechnungsverfahren sind
allgemein gültig und können auf ähnliche
Komponenten in anderen Anschlusskonfigurationen mit vergleichbarer
Verteilung der inneren Kräfte und Momente übertragen
werden. |
|
 |
Berechnung allgemeiner Querschnittsgrößen |
|
 |
|
wirksame Schubfläche |
|
 |
gewalzte Profile
mit I- und H-Querschnitt, Lastrichtung
parallel zum Steg |
|
 |
|
|
|
 |
geschweißte
Profile mit I- und H-Querschnitt, Lastrichtung
parallel zum Steg |
 |
Bei zusätzlicher
Anordnung von Stegblechen wird die wirksame
Schubfläche vergrößert
um |
 |
|
|
|
|
plastisches Widerstandsmoment eines
Blechs |
|
|
|
 |
Klassifizierung von Querschnitten |
|
 |
|
Mit der Klassifizierung von Querschnitten
soll die Begrenzung der Beanspruchbarkeit und Rotationskapazität
durch lokales Beulen von Querschnittsteilen festgelegt
werden (EC 3-1-1, 5.5). |
|
 |
|
Querschnitte können
die plastische Momententragfähigkeit
und ausreichend Rotationskapazität
für die plastische Berechnung entwickeln |
|
|
 |
|
Querschnitte können
die plastische Momententragfähigkeit
entwickeln, haben aber nur eine begrenzte
Rotationskapazität |
|
|
 |
|
Querschnitte können
keine plastische Momententragfähigkeit
entwickeln, erreichen aber die Streckgrenze
in der ungünstigsten Querschnittsfaser |
|
|
 |
|
Querschnitte, bei denen
örtliches Beulen vor Erreichen
der Streckgrenze auftritt |
|
|
|
|
Die Klassifizierung ist vom c/t-Verhältnis
abhängig (s. EC 3-1-1, Tab. 5.2) und steuert die
Berechnung der Tragfähigkeit druckbeanspruchter Bauteile. |
|
 |
Teilsicherheitsbeiwerte für Anschlüsse |
|
 |
|
Für die Berechnung der Tragfähigkeiten
der Grundkomponenten werden folgende Materialsicherheitsbeiwerte
verwendet. |
Beanspruchbarkeit von |
|
 |
... Querschnitten γM0
(EC 3-1-1, 6.1) |
 |
... Bauteilen bei Stabilitätsversagen γM1
(EC 3-1-1, 6.1) |
 |
... Querschnitten bei Bruchversagen infolge Zugbeanspruchung
γM2 (EC 3-1-1, 6.1) bzw. |
 |
... Schrauben, Schweißnähten, Blechen
auf Lochleibung γM2 (EC 3-1-8,
2.2, Tab. 2.1) |
|
|
|
|
Die Zahlenwerte der Teilsicherheitsbeiwerte
können im nationalen Anhang zum Eurocode 3 eingesehen
und ggf. verändert werden. |
|
 |
Allgemeines zur Programmeingabe |
|
 |
|
Die folgenden Hinweise betreffen alle Programme
der Grundkomponentenbibliothek. |
|
In der Kopfleiste sind Aktionsbuttons zur
Programmsteuerung angeordnet: |
|
 |
|
 |
zu den Eurocode-Dokumenten gehört
ein nationaler Anhang, in dem einige Parameter
unabhängig vom europäischen Hauptdokument
national festgelegt werden. |
Die das Programm betreffenden
Werte können an dieser Stelle verändert
werden. |
Allgemeine Informationen zu
dem Gebrauch der nationalen Anhänge finden
Sie hier. |
|
|
|
 |
der Umfang des Statikdokuments
kann individuell angepasst werden. |
Allgemeine Informationen zur
Ausdrucksteuerung finden Sie hier. |
|
|
|
 |
die Ergebnisse können direkt
am Bildschirm eingesehen werden. |
|
|
|
|
 |
über den Drucker-Button
wird der Druckmanager aufgerufen. |
|
|
|
|
 |
der Hilfe-Button öffnet
das Online-Hilfemenü. |
|
|
|
|
 |
das Programm kann mit oder ohne
Sicherung der Eingabedaten verlassen werden. |
|
|
|
|
In der Eingabeoberfläche werden nur
die wesentlichen Parameter zur Berechnung der Grundkomponente
eingegeben. |
|
Je Grundkomponente werden nur die Werte
angefordert, die für die Durchführung des Nachweises
erforderlich sind. |
Weitere Werte, die ggf. für die grafische
Darstellung benötigt werden, sind im Eingabeblatt
blau gekennzeichnet
(s. z.B. Grundkomponente 1, 3, 4 etc.). |
|
|
|
Ist zur Berechnung der Tragfähigkeit
die Kenntnis von Lasten oder Spannungen notwendig, werden
sie braun dargestellt. (s. z.B. Grundkomponente 2, 7 etc.). |
|
|
|
Es besteht die Möglichkeit, entweder
nur die Tragfähigkeiten zu berechnen oder den entsprechenden
Nachweis zu führen und die Ausnutzung zu ermitteln. |
|
Wenn ein Nachweis geführt werden soll,
sind entsprechende Bemessungslasten vorzugeben. |
Es können maximal 99 Schnittgrößen
eingegeben werden, denen jeder eine Beschreibung zugeordnet
werden kann. |
|
|
|
I.A. muss in den Grundkomponenten mindestens
eine Stahlgüte vorgegeben werden. |
Die Stahlgüte kann aus einer Liste,
die mit den Stahlgüten nach EC 3-1-1, Tab. 3.1, bestückt
ist, ausgewählt werden. |
Die Rechenparameter werden dann programmintern
belegt. |
|
|
|
Alternativ können diese Parameter auch
vom Anwender selbst festgelegt werden (s. Beschreibung
der Basisverbindungen). |
|
|
Ebenso werden für die Berechnung einiger
Grundkomponenten Schraubenparameter verlangt. |
Auch diese können entweder über
eine Auswahlliste normiert oder selbst vorgegeben werden. |
|
 |
|
Die Schlüsselweite muss stets angegeben
werden; sie steuert bei Festigkeitsklasse 8.8 und 10.9,
ob die Schraube vorgespannt wird. Nähere Hinweise
hierzu finden Sie in der Beschreibung
der Basisverbindungen. |
|
In der Eingabeoberfläche wird die Grundkomponente
maßstäblich als Träger-Stützenverbindung
dargestellt. |
Die geometrischen Eingaben können optisch
kontrolliert werden, die Anordnung der Schnittgrößen
wird verdeutlicht. |
|
 |
|
Die Eingabedaten werden programmintern auf
Plausibilität und nach Bemessungsvoraussetzungen
(s. Vorschriften) überprüft. Treten Widersprüche
auf, wird die Grundkomponente in der Eingabeoberfläche
nicht dargestellt, es erfolgt eine Fehlermeldung. |
 |
|
Die zur Ermittlung der Tragfähigkeiten
benötigten Teilsicherheitsbeiwerte werden am Bildschirm
protokolliert. Deren Zahlenwerte sind der Liste von NDPs
(national festgelegte Parameter) des nationalen Anhangs
entnommen. |
|
 |
|
 |
Statikdokument |
|
 |
|
In Abhängigkeit der gewählten
Ausgabeoptionen wird das Statikdokument zusammengestellt. |
|
 |
|
Zunächst wird die Grundkomponente in
einer Grafik
maßstäblich dargestellt. |
Anschließend erfolgt das Protokoll
der Eingabeparameter.
Die Rechenparameter von Stahlgüte und Schraubentyp
können zusätzlich (zusätzlich den Info-Button
aktivieren) ausgegeben werden. Die verwendeten Teilsicherheitsbeiwerte
aus der Eurocode-Liste sind angefügt. |
Soll neben der Tragfähigkeit der Nachweis
geführt und die maximale Ausnutzung ermittelt werden,
sind die Bemessungskräfte
eingetragen. |
Jetzt werden die Ergebnisse berechnet und
je nach gewähltem Ausgabeumfang ausführlich
mit sämtlichen Zwischenergebnissen, standard
oder minimal
ausgegeben. |
Den Abschluss bilden die Protokolle der
verwendeten Parameter
des nationalen Anhangs sowie der
maßgebenden Vorschriften. |
|
Der Statikausdruck ist auch in englischer
Sprache verfügbar. |
|
 |
Formelzeichen |
|
 |
|
hw |
Stegblechhöhe |
dc |
Höhe des Stegs zwischen den Ausrundungen
(Höhe des geraden Stegteils) |
tw |
Blechdicke des Stegs |
r |
Ausrundungsradius (gewalzte Profile) |
g |
Spalt zwischen Trägerende und Stützenflansch
bei Verbindungen mit Flanschwinkeln |
t |
Blechdicke |
A |
Bruttoquerschnittsfläche |
Av |
Schubfläche |
As |
Spannungsfläche (Schrauben) |
b |
Breite |
h |
Höhe |
dst |
Abstand der Stegsteifen |
|
fy |
Streckgrenze |
fu |
Zugfestigkeit |
|
z |
Hebelarm vom Druckpunkt zur resultierenden Zugkraft |
|
|
Indices |
|
c |
Stütze (column), Druck (compression) |
b |
Träger (beam), Lochleibung (bearing) |
w |
Steg (web) |
f |
Flansch (flange) |
a |
Winkel (angle) |
t |
Zug (tension) |
p |
Platte (plate) |
ep |
Stirnplatte (end plate) |
st |
Stegsteifen |
s |
Stegbleche |
1 |
rechter Trägeranschluss |
2 |
linker Trägeranschluss |
j |
Knotenpunkt der Schwerachsen |
Rd |
Bemessungswiderstand |
Ed |
Bemessungslast |
|
|
|
|
 |
|
 |
EC 3-1-8, 6.2.6.1, Grundkomponente
1, nur bei Träger-Stützenverbindungen |
|
|
 |
Anwendungsvoraussetzung |
|
 |
|
 |
geschweißte oder geschraubte
Verbindungen können bemessen werden |
 |
der Stützensteg kann mit Stegblechen oder
Stegsteifen ausgesteift sein |
 |
die Schlankheit
des Stützenstegs ist begrenzt auf |
 |
(EC 3-1-1, 5.6, Tab. 5.2) |
|
 |
bei beidseitigen Träger-Stützenanschlüssen
wird angenommen, dass beide Träger die gleiche
Höhe besitzen |
|
|
 |
Tragfähigkeit |
|
 |
|
Die plastische Schubtragfähigkeit eines
nicht ausgesteiften Stützenstegfeldes ergibt sich
zu |
|
|
|
|
|
 |
Verstärkungen des Stützenstegs |
|
 |
|
Stegsteifen |
 |
|
Werden zusätzliche Stegsteifen in der
Druck- und Zugzone der Stütze eingesetzt, wird die
plastische Schubtragfähigkeit des Stützenstegfeldes
erhöht um |
|
|
|
Die plastischen Biegetragfähigkeiten
ergeben sich nach EC 3-1-1, 6.2.5, zu |
|
|
|
Dabei wird bei zweiseitigen Träger-Stützenanschlüssen
angenommen, dass beide Träger etwa die gleiche
Höhe
haben. |
Bei geschweißten Anschlüssen
sollten die Stegsteifen der Stütze in den Achsen
der Trägerflansche liegen. |
|
Stegbleche |
 |
|
Wird der Stützensteg durch zusätzliche
Stegbleche verstärkt, vergrößert sich
die wirksame Schubfläche
(s. Berechnung
allgemeiner Querschnittsgrößen). |
Voraussetzungen |
|
 |
Stegbleche sollten die gleiche Stahlgüte
haben wie die Stütze |
 |
Abmessungen |
|
|
 |
|
|
 |
Programmanwendung |
|
 |
|
|
|
Es werden die wesentlichen Parameter zur
Berechnung der Tragfähigkeit der Grundkomponente
1 angefordert. |
Weitere Werte, die ggf. zur grafischen Darstellung
benötigt werden, sind im Eingabeblatt blau gekennzeichnet
und werden weder überprüft noch protokolliert. |
Die Stahlsorte kann einer Liste der gängigen
Typen entnommen werden oder per Hand in das Eigenschaftsblatt
eingeben werden (s. Allgemeines
zur Programmeingabe). |
|
Die Tragfähigkeit des Stützenstegs
kann entweder durch Stegbleche oder durch Stegsteifen
erhöht werden. |
|
Stegbleche |
|
|
|
Die Abmessungen des Stegblechs (grafische
Erläuterung s.o.) werden abgefragt und vor der Ermittlung
der Tragfähigkeit überprüft. |
Stegbleche können ein- oder beidseitig
angeordnet werden, wobei nur die Steifigkeit eines Stegblechs
in die Bemessung eingeht. |
Die Schweißnähte zwischen Stegblech
und Profil sind für die Bemessungswerte der zu übertragenden
Kräfte zu bemessen (wird hier nicht durchgeführt). |
|
Stegsteifen |
|
|
|
Stegsteifen (grafische Erläuterung
s.o.) sind in der Druck- und Zugzone der Stütze einzusetzen. |
Bei geschweißten Anschlüssen
sollten sie in den Achsen der Trägerflansche liegen,
d.h. der Achsabstand der Stegsteifen sollte der Trägerhöhe
abzüglich der halben Trägerflanschdicken (dst
= hb - (tfbo+ tfbu)/2)
entsprechen. |
|
|
|
 |
|
 |
EC 3-1-8, 6.2.6.2, Grundkomponente
2, nur bei Träger-Stützenverbindungen |
|
|
|
 |
Anwendungsvoraussetzung |
|
 |
|
 |
geschweißte oder geschraubte
Verbindungen (mit Stirnblech oder Flanschwinkeln)
können bemessen werden |
 |
der Stützensteg kann mit Stegblechen ausgesteift
sein |
|
|
 |
Tragfähigkeit |
|
 |
|
Die Tragfähigkeit eines nicht ausgesteiften
Stützenstegs ergibt sich zu |
|
|
|
 |
dem Abminderungsbeiwert ω
(s. Tab. 6.3), um mögliche Interaktionseffekte
mit der Schubbeanspruchung im Stützenstegfeld
zu erfassen. |
Der Abminderungsbeiwert ist
abhängig vom Übertragungsparameter
β (s. 5.3 (7)) und der Schubfläche
Avc (s. Berechnung
allgemeiner Querschnittsgrößen).
|
Dabei ist β abhängig
von der Ausführung des Anschlusses (ein-
oder zweiseitig) und der Momentenbelastung. |
Der Beiwert kann entweder näherungsweise
Tab. 5.4 entnommen oder mit den angreifenden
Knotenmomenten berechnet werden zu |
|
 |
|
|
 |
der wirksamen Breite beff,c,wc
des Stützenstegs für Querdruck,
die berechnet wird |
|
 |
|
|
|
Dabei sind |
|
 |
s der Radius der Ausrundung bzw. die
Länge des Schweißnahtschenkels am Steg, |
 |
sp das Ausbreitungsmaß der Druckkraft
durch das Stirnblech (Ann.: 45° Lastausbreitung)
mit tp < sp <
2·tp. |
 |
Abminderungsbeiwert ρ für
Plattenbeulen |
|
 |
|
|
 |
Abminderungsbeiwert kwc
in Abhängigkeit der maximalen Längsdruckspannung
im Stützensteg |
|
 |
|
|
|
 |
Verstärkungen des Stützenstegs |
|
 |
|
 |
|
Wird der Stützensteg durch zusätzliche
Stegbleche verstärkt, vergrößert sich
die wirksame Stegdicke. |
Dann darf die effektive Dicke des Stützenstegs
|
|
|
|
angesetzt werden. |
Voraussetzungen |
|
 |
Stegbleche sollten die gleiche Stahlgüte
haben wie die Stütze |
 |
Abmessungen |
|
|
 |
|
|
Die Stützenstegverstärkung wirkt
sich damit auch auf die Schubfläche der Stütze
aus (s. Berechnung
allgemeiner Querschnittsgrößen). |
|
 |
Programmanwendung |
|
 |
|
|
|
|
Es werden nur die wesentlichen Parameter
zur Berechnung der Tragfähigkeit der Grundkomponente
2 angefordert. |
Dabei kann die Stahlsorte einer Liste der
gängigen Typen entnommen werden oder per Hand in
das Eigenschaftsblatt eingeben werden (s. Allgemeines
zur Programmeingabe). |
Ist zur Berechnung der Tragfähigkeit
die Kenntnis von Lasten oder Spannungen notwendig, werden
sie braun
dargestellt (s.u.). |
Die Tragfähigkeit des Stützenstegs
kann durch Stegbleche verstärkt werden. |
|
|
|
Die Abmessungen des Stegblechs (grafische
Erläuterung s.o.) werden abgefragt und vor der Ermittlung
der Tragfähigkeit überprüft. |
Stegbleche können ein- oder beidseitig
angeordnet werden. |
Die Schweißnähte zwischen Stegblech
und Profil sind für die Bemessungswerte der zu übertragenden
Kräfte zu bemessen (wird hier nicht durchgeführt). |
Die wirksame Breite des Stützenstegs
für Querdruck wird in Abhängigkeit der Verbindungsart
berechnet. |
|
|
|
geschweißte Verbindung |
|
|
geschraubte Stirnblechverbindung |
|
|
|
geschraubte Verbindung mit Flanschwinkeln |
|
|
|
|
|
Druckspannungen in der Stütze wirken
sich auf die Tragwirkung aus. |
Daher ist die maximale Längsdruckspannung
im Steg (am Ende des Ausrundungsradius bei einem gewalzten
Profil oder am Schweißnahtübergang bei einem
geschweißten Profil) infolge Druckkraft und Biegemoment
in der Stütze zur Berechnung des Abminderungsbeiwerts
kwc anzugeben. |
Bei Vorbemessungen gilt σcom,Ed
= 0 (kwc wird vernachlässigt). |
Der Übertragungsparameter β erfasst
den Einfluss des Stützenstegfeldes auf die Tragfähigkeit
der Grundkomponente. |
Er geht in die Berechnung des Abminderungsbeiwerts
ω ein. Bei einseitigem Anschluss gilt β = 1,
bei zweiseitigem Anschluss mit gleich hohen Trägern
und gleich großen Momenten ist β = 0. |
|
|
|
 |
|
 |
EC 3-1-8, 6.2.6.3, Grundkomponente
3, nur bei Träger-Stützenverbindungen |
|
|
 |
Anwendungsvoraussetzung |
|
 |
|
 |
geschweißte oder geschraubte
Verbindungen können bemessen werden |
 |
der Stützensteg kann mit Stegblechen ausgesteift
sein |
|
|
 |
Tragfähigkeit |
|
 |
|
Die Tragfähigkeit eines nicht ausgesteiften
Stützenstegs ergibt sich zu |
|
|
 |
dem Abminderungsbeiwert ω
(s. Tab.6.3), um mögliche Interaktionseffekte
mit der Schubbeanspruchung im Stützenstegfeld
zu erfassen. |
Der Abminderungsbeiwert ist
abhängig vom Übertragungsparameter
β (s. 5.3 (7)) und der wirksamen Schubfläche
Avc (s. Berechnung
allgemeiner Querschnittsgrößen). |
Dabei ist β abhängig
von der Ausführung des Anschlusses (einseitig
oder zweiseitig) und der Momentenbelastung.
|
Der Beiwert kann entweder näherungsweise
Tab. 5.4 entnommen oder mit den angreifenden
Knotenmomenten berechnet werden zu |
|
 |
|
|
 |
der wirksamen Breite beff,t,wc
des Stützenstegs für Querzug, die
berechnet wird |
|
 |
 |
|
 |
für eine geschraubte Verbindung:
wirksame Länge des äquivalenten
T-Stummels für den Stützenflansch
(s. Grundkomponente
4). |
|
|
|
|
 |
Verstärkungen des Stützenstegs |
|
 |
|
Stegbleche |
 |
|
Wird der Stützensteg durch zusätzliche
Stegbleche verstärkt, hängt die Tragfähigkeit
für Querzug von der Dicke der Längsnähte
entlang der Stegbleche ab. |
Die effektive Dicke des Stützenstegs
darf vergrößert werden bei Verwendung von |
|
|
|
|
|
Voraussetzungen |
|
 |
Stegbleche sollten die gleiche Stahlgüte
haben wie die Stütze |
 |
Abmessungen |
|
|
 |
|
|
Die Stützenstegverstärkung wirkt
sich damit auch auf die Schubfläche der Stütze
aus (s. Berechnung
allgemeiner Querschnittsgrößen). |
|
 |
Programmanwendung |
|
 |
|
|
|
|
Es werden nur die wesentlichen Parameter
zur Berechnung der Tragfähigkeit der Grundkomponente
3 angefordert. |
Weitere Werte, die ggf. zur grafischen Darstellung
benötigt werden, sind im Eingabeblatt blau gekennzeichnet
(s.u.); sie werden weder überprüft noch protokolliert.
|
Die Stahlsorte kann einer Liste der gängigen
Typen entnommen werden oder per Hand in das Eigenschaftsblatt
eingeben werden (s. Allgemeines
zur Programmeingabe). |
Die Tragfähigkeit des Stützenstegs
kann durch Stegbleche verstärkt werden. |
|
|
|
Die Abmessungen des Stegblechs (grafische
Erläuterung s.o.) werden abgefragt und vor der Ermittlung
der Tragfähigkeit überprüft. |
Stegbleche können ein- oder beidseitig
angeordnet werden. |
Die Schweißnähte um das Stegblech
herum sind für die Bemessungswerte der zu übertragenden
Kräfte
zu bemessen (wird hier nicht durchgeführt). |
Die wirksame Breite des Stützenstegs
für Querzug wird in Abhängigkeit der Verbindungsart
berechnet
oder vorgegeben. |
|
|
|
geschweißte Verbindung |
|
|
geschraubte Verbindung |
|
|
|
|
Der Übertragungsparameter β erfasst
den Einfluss des Stützenstegfeldes auf die Tragfähigkeit
der Grundkomponente und geht in die Berechnung des Abminderungsbeiwerts
ω ein. |
Bei einseitigem Anschluss gilt β =
1, bei zweiseitigem Anschluss mit gleich hohen Trägern
und gleich großen Momenten ist β = 0. |
|
|
|
 |
|
 |
EC 3-1-8, 6.2.6.4, Grundkomponente
4, nur bei Träger-Stützenverbindungen |
|
|
 |
Anwendungsvoraussetzung |
|
 |
|
 |
geschweißte oder geschraubte Verbindungen
können bemessen werden |
 |
bei geschraubten Verbindungen kann der Stützenflansch
durch Quersteifen verstärkt sein |
|
|
 |
Tragfähigkeit einer geschweißten Verbindung |
|
 |
|
Die Tragfähigkeit eines nicht ausgesteiften Stützenflanschs
ergibt sich zu |
|
|
|
Voraussetzung |
|
|
|
 |
Tragfähigkeit einer geschraubten Verbindung |
|
 |
|
Die Tragfähigkeit eines nicht ausgesteiften oder
eines ausgesteiften Stützenflansches wird mit Hilfe des äquivalenten
T-Stummelflansches ermittelt. |
Das Modell des T-Stummelflansches ist für eine
beliebige Anzahl Schraubenreihen mit zwei Schrauben
je Reihe entwickelt worden. Daher können mit dieser Grundkomponente
nur Anschlusskonfigurationen mit zwei Schrauben je Reihe nachgewiesen
werden. |
Es kann sowohl jede einzelne Schraubenreihe als auch
jede Gruppe von Schraubenreihen für die Übertragung der
Zugkräfte maßgebend sein. |
Eine allgemeine Beschreibung zur Berechnung des äquivalenten
T-Stummels finden Sie in der Beschreibung
der Basisverbindungen. |
|
Um die Tragfähigkeit von Grundkomponente 4, Stützenflansch
mit Biegebeanspruchung, zu ermitteln, muss zunächst die
wirksame Länge des äquivalenten T-Stummels bestimmt werden. |
Dazu ist die genaue Anordnung der zugbelasteten Schrauben
im Stützenflansch einzugeben. |
Anschließend wird die Zugtragfähigkeit des
T-Stummelflansches für jede einzelne Schraubenreihe sowie für
eine Gruppe von Schraubenreihen bestimmt und die zugehörige wirksame
Länge protokolliert. |
Die wirksame Länge aus Grundkomponente 4 kann auch
in Grundkomponente 3 eingehen. |
Zur Bildung von Schraubengruppen s.u. Verstärkungen
des Stützenstegs. |
|
 |
Verstärkungen des Stützenstegs |
|
 |
|
 |
|
|
Am Stützenflansch angeschweißte
Quersteifen erhöhen die Biegetragfähigkeit der
Verbindung. |
Bei geschweißten Anschlüssen
sollten die Quersteifen der Stütze in den Achsen
der
Trägerflansche liegen. |
Es werden maximal zwei Quersteifen betrachtet. |
|
|
|
 |
Schraubengruppe |
|
 |
|
Ist der Stützenflansch nicht ausgesteift, werden
alle zugbeanspruchten Schrauben Schraubengruppen zugewiesen. |
Werden jedoch Quersteifen angeordnet, ist die Lage
der obersten Quersteife in Bezug auf die erste
Schraubenreihe entscheidend. |
Da nach EC 3-1-8 ein positives Moment oben Zug erzeugt,
wird der Druckpunkt in der Mitte der unteren Quersteife angenommen.
Es werden nur Schraubenreihen berücksichtigt, die oberhalb des
Druckpunkts liegen. |
Die Schraubenreihen werden beginnend mit der Reihe,
die am weitesten vom Druckpunkt entfernt liegt, durchnummeriert. |
Befindet sich die erste Schraubenreihe oberhalb der
Steife (est > 0), wird diese Reihe einzeln betrachtet. |
Die Schraubenreihen zwischen den Quersteifen können
dann in Schraubengruppen zusammenwirken. |
Befinden sich dagegen alle Schraubenreihen innerhalb
der Quersteifen (est < 0), können alle Schrauben in
den Schraubengruppen vertreten sein. |
Zunächst wird die Tragfähigkeit jeder einzelnen
Reihe ermittelt, anschließend werden Schraubengruppen untersucht. |
Eine beliebige Anzahl Reihen zwischen den Flanschen
können zu einer Schraubengruppe zusammengefasst
werden. |
Eine Schraubengruppe besteht aus n beieinander liegenden
Schraubenreihen, wobei davon ausgegangen wird,
dass die erste Reihe
unterhalb des oberen Flansches die erste Reihe der Gruppe ist. |
Der Abstand der Reihen innerhalb einer Schraubengruppe
sollte gleich groß sein. Ist die Differenz zweier
Reihen größer
als 1,5 · min pi, wird die Gruppe geschlossen.
Die folgende Reihe ist nun die Anfangsreihe
der weiteren Gruppen. |
|
 |
Programmanwendung |
|
 |
|
geschraubter Anschluss |
|
|
|
Es werden die wesentlichen Parameter zur Berechnung
der Tragfähigkeit der Grundkomponente 4 angefordert. |
Weitere Werte, die ggf. zur grafischen Darstellung benötigt
werden, sind im Eingabeblatt gekennzeichnet und werden weder
überprüft noch protokolliert. |
|
Die Parameter des Stützenprofils können einem
typisierten Profil entnommen werden. |
Dazu kann der Querschnitt entweder über den pcae-eigenen
Profilmanager in das Programm importiert oder als
parametrisiertes Stahlprofil eingegeben werden. |
|
Um ein Profil aus dem Angebot des Profilmanagers zu
wählen, ist der grün unterlegte Pfeil zu betätigen. |
Das Programm kann Träger-Stützen-Anschlüsse
oder Träger-
stöße mit Doppel-T-Profilen berechnen, die als I,
H-, DIL-, S-
oder W-Profile pcae-intern bekannt
sind. |
Das externe Programm wird aufgerufen und
ein Profil kann
aktiviert werden. Bei Verlassen des Profilmanagers werden die
benötigten Daten übernommen und der Profilname protokolliert. |
|
 |
|
|
Zur Definition eines parametrisierten
Stahlprofils sind Profilhöhe, Stegdicke,
Flanschbreite und -dicke festzulegen. |
Bei gewalzten Profilen wird der Ausrundungsradius
r zwischen Flansch und Steg geometrisch berücksichtigt,
während geschweißte Blechprofile mit Schweißnähten
der Dicke a zusammengefügt sind. |
Diese Schweißnähte werden nicht nachgewiesen. |
|
 |
|
|
Die Stahlsorte ebenso wie die Schraubengüte und
-größe können Listen der gängigen Typen entnom-men
werden oder per Hand in das Eigenschaftsblatt eingeben werden (s.
Allgemeines zur Programmeingabe). |
|
 |
|
|
Futterbleche unter den Schraubenmuttern erhöhen
die Tragfähigkeit. |
|
 |
|
|
Die Tragfähigkeit des Stützenflanschs kann
durch Quersteifen verstärkt
werden. |
|
|
|
 |
|
|
Die Abmessungen und Lage der Stegsteifen (grafische
Erläuterung s.o.) werden abgefragt und vor der Ermittlung
der
Tragfähigkeit überprüft. |
Wird eine Zwischensteife angeordnet, vergrößert
sich die Tragfähigkeit
der Komponente, da die Ausbreitung des Rissmusters begrenzt wird
(s. äquivalenter
T-Stummel). Auch kann über Steifen hinweg keine Gruppenwirkung
eintreten. Unterhalb von Zwischensteifen werden keine Schraubengruppen
mehr gebildet. |
|
In Abhängigkeit zur eingegebenen An-
zahl an Schraubenreihen
unter Zugbe-lastung müssen die Abstände der |
|
 |
|
Schraubenreihen
voneinander angegeben werden (d.h. Abstand zwischen den Schraubenreihen
1 und 2: p1-2,
zwischen Schraubenreihen 2 und 3: p2-3). |
Da die Bemessungsgrundlagen innerhalb einer Schraubengruppe
einen gleichmäßigen Abstand der Schraubenreihen erfordern,
wird der mittlere Abstand zwischen den Schraubenreihen einer Gruppe
angesetzt. |
|
Ist die Anzahl an Schraubenreihen zur Gruppenbildung
größer als 1 (mind.
zwei Reihen gehören einer
Gruppe an), |
|
 |
|
kann die Bildung der Gruppen vom Anwender vorgegeben
oder vom Programm automatisch durchgeführt werden. |
Der Anwender legt die Gruppe über die vorgegebene Anzahl
an Mitgliedern fest. |
Bei automatischer Gruppenbildung können entweder die maßgebende
Gruppe oder alle Gruppen protokolliert bzw. nachgewiesen werden. |
|
geschweißter Anschluss |
|
|
|
Es werden nur die wesentlichen Parameter zur Berechnung
der Tragfähigkeit der Grundkomponente 4 angefordert. |
Die Stahlsorte kann einer Liste der gängigen Typen
entnommen werden oder per Hand in das Eigenschaftsblatt eingeben werden
(s. Allgemeines zur Programmeingabe). |
|
|
|
 |
|
 |
EC 3-1-8, 6.2.6.5, Grundkomponente
5, bei Träger-Stützenverbindungen und Trägerstößen |
|
|
 |
Anwendungsvoraussetzung |
|
 |
|
 |
geschraubte Verbindungen können bemessen werden |
|
|
 |
Tragfähigkeit |
|
 |
|
Die Tragfähigkeit eines Stirnblechs wird mit Hilfe
des äquivalenten T-Stummelflansches ermittelt. |
Das Modell des T-Stummelflansches ist für eine
beliebige Anzahl Schraubenreihen mit zwei Schrauben
je Schraubenreihe entwickelt worden. |
Eine Erweiterung auf vier Schrauben je Reihe
wurde nach verschiedenen Verfahren umgesetzt. |
Sind nur zwei Schrauben je Reihe vorhanden, kann sowohl
jede einzelne Schraubenreihe als auch eine Gruppe von Schraubenreihen
für
die Übertragung
der Zugkräfte maßgebend sein. |
Bei Verbindungen mit vier Schrauben je Reihe
werden Schraubengruppen nicht berücksichtigt. |
Eine allgemeine Beschreibung zur Berechnung des äquivalenten
T-Stummels finden Sie in der Beschreibung
der Basisverbindungen. |
|
Um die Tragfähigkeit von Grundkomponente 5, Stirnblech
mit Biegebeanspruchung, zu ermitteln, muss zunächst
die
wirksame Länge des äquivalenten T-Stummels bestimmt werden. |
Dazu ist die genaue Anordnung der zugbelasteten Schrauben
im Stützenflansch einzugeben. |
Anschließend wird die Zugtragfähigkeit des
T-Stummelflansches für jede einzelne Schraubenreihe sowie für
Schraubengruppen bestimmt und die zugehörige
wirksame Länge protokolliert. |
Die wirksame Länge aus Grundkomponente 5 geht
in Grundkomponente 8 ein. |
|
 |
Schraubengruppe |
|
 |
|
 |
|
Da nach EC 3-1-8 ein positives Moment oben Zug erzeugt,
wird der Druckpunkt in Mitte des unteren Trägerflanschs angenommen.
Es werden nur Schraubenreihen berücksichtigt, die oberhalb
des Druckpunkts
liegen. |
Die Schraubenreihen werden beginnend mit der Reihe,
die am weitesten vom Druckpunkt entfernt liegt,
durchnummeriert. |
Die Trägerflansche wirken wie Quersteifen der Stirnblechverbindung. |
Wird ein Überstand des Stirnblechs über dem
Trägerzugflansch angegeben, kann sich die erste Schraubenreihe
in dem Überstand befinden. |
Zunächst wird die Tragfähigkeit jeder einzelnen
Reihe ermittelt, anschließend werden Schraubengruppen untersucht. |
Eine beliebige Anzahl Reihen zwischen den Flanschen
können zu einer Schraubengruppe zusammengefasst werden. |
Eine Schraubengruppe besteht aus n beieinander
liegenden Schraubenreihen, wobei davon ausgegangen wird, dass die
erste Reihe unterhalb des oberen Flansches die erste Reihe
der Gruppe ist. |
Der Abstand der Reihen innerhalb einer Schraubengruppe
sollte gleich groß sein. Ist die Differenz zweier Reihen größer
als 1,5 · min pi, wird die Gruppe geschlossen.
Die folgende Reihe ist nun die Anfangsreihe der weiteren Gruppen. |
|
 |
Programmanwendung |
|
 |
|
|
|
|
Es werden die wesentlichen Parameter zur Berechnung
der Tragfähigkeit der Grundkomponente 5 angefordert. |
|
Die Parameter des Trägerprofils können
einem typisierten Profil entnommen werden. |
Dazu kann der Querschnitt entweder über den pcae-eigenen
Profilmanager in das Programm importiert oder als
parametrisiertes Stahlprofil eingegeben werden. |
|
Um ein Profil aus dem Angebot des Profilmanagers zu
wählen, ist der grün unterlegte Pfeil zu betätigen. |
Das Programm kann Träger-Stützen-Anschlüsse
oder Träger-
stöße mit Doppel-T-Profilen berechnen, die als I,
H-, DIL-, S-
oder W-Profile pcae-intern bekannt
sind. |
Das externe Programm wird aufgerufen und
ein Profil kann
aktiviert werden. Bei Verlassen des Profilmanagers werden die
benötigten Daten übernommen und der Profilname protokolliert. |
|
 |
|
|
Zur Definition eines parametrisierten
Stahlprofils sind Profilhöhe, Stegdicke,
Flanschbreite und -dicke festzulegen. |
Bei gewalzten Profilen wird der Ausrundungsradius
r zwischen Flansch und Steg geometrisch berücksichtigt,
während geschweißte Blechprofile mit Schweißnähten
der Dicke a zusammengefügt sind. |
Diese Schweißnähte werden nicht nachgewiesen. |
|
 |
|
|
Die Stahlsorte ebenso wie die Schraubengüte
und
-größe können Listen der gängigen Typen entnommen
werden oder per Hand in das Eigenschaftsblatt eingeben werden (s.
Allgemeines zur Programmeingabe). |
|
 |
|
|
Die Tragfähigkeit des T-Stummelflanschs kann durch
die Schweißnähte
zwischen Träger
und Stirnblech begrenzt sein. |
Optional kann die Berücksichtigung
der Schweißnahttragfähigkeit
unterdrückt werden. |
|
 |
|
|
Wird zwischen den Trägerflanschen eine Zwischensteife
angeordnet, vergrößert sich
die Tragfähigkeit der
Komponente, da die Ausbreitung des Rissmusters begrenzt wird
(s. äquivalenter
T-Stummel). |
|
|
 |
|
Auch kann über
Steifen hinweg keine Gruppenwirkung eintreten.
Unterhalb von Zwischensteifen werden keine Schraubengruppen mehr gebildet. |
|
Es können beliebig viele Schraubenreihen angeordnet
werden, von denen ggf. nur ein Teil Schraubengruppen bildet. |
Sind vier Schrauben je Reihe vorhanden, werden
Schraubengruppen nicht untersucht. |
Der Überstand des Stirnblechs befindet sich auf der
Zugseite, d.h. oben. |
Für alle Schraubenreihen
müssen die Abstände der Schraubenreihen
voneinander angegeben werden (d.h. Abstand zwischen den Schrauben-reihen
1 und 2: p1-2). |
Da die Bemessungsgrundlagen innerhalb einer Schraubengruppe
einen gleichmäßigen Abstand der Schraubenreihen erfordern,
wird der mittlere Abstand zwischen
den Schraubenreihen einer
Gruppe angesetzt. |
|
 |
|
|
Ist die Anzahl an Schraubenreihen zur Gruppen-bildung
größer als 1 (mindestens zwei Reihen gehören einer Gruppe an), kann
die Bildung der Gruppen vom Anwender vorgegeben oder
vom Programm automatisch
durchgeführt
werden. |
|
 |
|
Der Anwender legt die Gruppe über die vorgegebene
Anzahl an Mitgliedern fest. |
Bei automatischer Gruppenbildung können entweder
die maßgebende Gruppe oder alle Gruppen protokolliert bzw.
nachgewiesen werden. |
|
Werden vier Schrauben je Reihe angeordnet, sind zusätzlich
die Angaben der Breite und Stahlgüte des Trägerflanschs
sowie der Abstand der äußeren zur inneren Schraube erforderlich. |
|
|
|
Die Berechnungsmethode
kann aus verschiedenen Veröffentlichungen (s. äquivalenter
T-Stummel)
gewählt
werden. |
Die Anzahl an Schrauben kann je Reihe variieren (4
- 4 Schrauben je Reihe, 2i - 2 Schrauben am Steg,
2a - 2 Schrauben am Stirnblechrand), jedoch wird
die Ermittlung der Tragfähigkeit
an die Erfordernisse der jeweiligen Berechnungsmethode angepasst. |
|
|
|
 |
|
 |
EC 3-1-8, 6.2.6.6, Grundkomponente
6, bei Träger-Stützenverbindungen |
|
|
 |
Anwendungsvoraussetzung |
|
 |
|
 |
geschraubte Verbindungen können
bemessen werden |
|
|
 |
Tragfähigkeit |
|
 |
|
Die Tragfähigkeit einer Verbindung
mit Flanschwinkeln wird mit Hilfe des äquivalenten
T-Stummelflansches ermittelt. |
Das Modell des T-Stummelflansches ist für
eine beliebige Anzahl Schraubenreihen mit allerdings nur
zwei
Schrauben je Reihe entwickelt worden. Daher können mit dieser
Grundkomponente nur Anschlusskonfigurationen
mit zwei
Schrauben je Reihe nachgewiesen werden. |
Bei Verbindungen mit Flanschwinkeln wird
nur eine einzelne Schraubenreihe zwischen Winkel und Stützenflansch
für die Übertragung der Zugkräfte angenommen. |
Eine allgemeine Beschreibung zur Berechnung
des äquivalenten T-Stummels finden Sie in der Beschreibung
der Basisverbindungen. |
Zwischen Winkel und Trägerflansch können
mehrere Schraubenreihen auftreten, die jedoch hier nicht
bemessungsrelevant sind. |
Die wirksame Länge des äquivalenten
T-Stummelflansches einer Flanschwinkel-Verbindung ist
mit leff = 0.5 ba anzusetzen, wobei
die Länge des Winkels ba nicht identisch
mit der Breite des Träger- oder Stützenflansches
zu sein braucht. |
|
 |
Flanschwinkel |
|
 |
|
 |
|
Die Breite des offenen Spalts zwischen Träger
und Stützenflansch beeinflusst die Größe
des Abstands m zwischen Schraubenachse und T-Stummelsteg
(Winkelschenkel 2). |
|
 |
|
 |
Programmanwendung |
|
 |
|
|
|
Es werden nur die wesentlichen Parameter
zur Berechnung der Tragfähigkeit der Grundkomponente
6 angefordert. |
Die Stahlsorte ebenso wie die Schraubengüte
und -größe können Listen der gängigen
Typen entnommen werden oder per Hand in das Eigenschaftsblatt
eingeben werden (s. Allgemeines
zur Programmeingabe). |
|
|
|
Zwischen Träger und Stützenflansch
kann ein Spalt entstehen, der das Tragverhalten der Verbindung
beeinflusst. Die Spaltbreite sowie der Abstand der Schraubenachse
vom Zugrand des Winkels sind anzugeben. |
|
|
|
 |
|
 |
EC 3-1-8, 6.2.6.7, Grundkomponente
7, bei Träger-Stützenverbindungen und
Trägerstößen |
|
|
 |
Anwendungsvoraussetzung |
|
 |
|
 |
sowohl Trägerflansch und -steg
als auch Stützenflansch und -steg können
bemessen werden |
 |
der Querschnitt kann gevoutet sein |
 |
die Beanspruchung setzt sich aus Biegung mit Querkraft
zusammen |
 |
es liegt keine Torsion vor |
|
|
 |
Tragfähigkeit |
|
 |
|
Die Tragfähigkeit von Trägerflansch
und -steg bei Druckbeanspruchung ergibt sich zu |
|
|
|
Die plastische Querkrafttragfähigkeit
ergibt sich zu |
|
|
|
|
Unterschreitet die einwirkende Querkraft
die Hälfte der plastischen Querkraftbeanspruchbarkeit,
muss die Momententragfähigkeit nicht abgemindert
werden. |
Die Abminderung erfolgt durch eine Reduzierung
der Streckgrenze auf |
|
|
|
Die Biegetragfähigkeit ergibt sich
zu |
|
|
|
wobei sich Wel,min und Weff,min
auf die Querschnittsfaser mit der maximalen Normalspannung
beziehen. |
Annahme: Weff,min = Wel,min. |
|
 |
|
 |
Programmanwendung |
|
 |
|
|
|
Es werden nur die wesentlichen Parameter
zur Berechnung der Tragfähigkeit der Grundkomponente
7 angefordert. |
Die Stahlsorte kann einer Liste der gängigen
Typen entnommen werden oder per Hand in das Eigenschaftsblatt
eingeben werden (s. Allgemeines
zur Programmeingabe). |
Ist zur Berechnung der Tragfähigkeit
die Kenntnis von Lasten oder Spannungen notwendig, werden
sie
braun dargestellt (s.u.). |
|
|
|
Da die Eingabe zur Bemessung der Grundkomponenten
nicht vom Profiltyp abhängig sein soll, müssen
profilbezogene Daten 'per Hand' eingegeben werden. |
Die Schubfläche Av wird
nur verlangt, wenn ein Bemessungswert der einwirkenden
Querkraft VEd zur Berücksichtigung der
Momenten-Querkraft-Interaktion definiert wird. |
Bei gevouteten Trägern beziehen sich
sämtliche profilbezogenen Daten auf die Gesamthöhe
einschließlich Voute. |
|
|
|
 |
|
 |
EC 3-1-8, 6.2.6.8, Grundkomponente
8, bei Träger-Stützenverbindungen und
Trägerstößen |
|
|
 |
Anwendungsvoraussetzung |
|
 |
|
 |
Tragfähigkeitsberechnung eines
Trägerstegs mit Zugbelastung bei geschraubten
Stirnblechverbindungen |
|
|
 |
Tragfähigkeit |
|
 |
|
Die Tragfähigkeit eines Trägerstegs
mit Zugbeanspruchung ergibt sich zu |
|
|
|
mit der wirksamen Breite beff,t,wb
des Trägerstegs mit Zug, die für eine Stirnblechverbindung
mit der wirksamen
Länge des äquivalenten T-Stummel-Modells für
das Stirnblech mit Biegebelastung (s. Grundkomponente
5) gleichzusetzen ist. |
|
 |
Träger |
|
 |
|
 |
|
 |
Programmanwendung |
|
 |
|
|
|
Es werden nur die wesentlichen Parameter
zur Berechnung der Tragfähigkeit der Grundkomponente
8 angefordert. |
Die Stahlsorte kann einer Liste der gängigen
Typen entnommen werden oder per Hand in das Eigenschaftsblatt
eingeben werden (s. Allgemeines
zur Programmeingabe). |
Die wirksame Breite des Trägerstegs
für Zug muss vorgegeben werden. |
|
|
|
 |
|
 |
EC 3-1-1, 6.2, Grundkomponente
9, bei Träger-Stützenverbindungen und
Trägerstößen |
|
|
 |
Anwendungsvoraussetzung |
|
 |
|
 |
wahlweise kann die Tragfähigkeit
eines Blechs mit Zug- oder mit Druckbeanspruchung
berechnet werden |
|
|
 |
Tragfähigkeit |
|
 |
|
Zugbelastung |
|
Der Bemessungswert der Zugbeanspruchbarkeit
eines Querschnitts mit Löchern ergibt sich als der
kleinere Wert von |
|
 |
dem Bemessungswert der plastischen
Beanspruchbarkeit des Bruttoquerschnitts |
 |
|
 |
und dem Bemessungswert der Zugbeanspruchbarkeit
des Nettoquerschnitts längs der kritischen
Risslinie
durch die Löcher |
 |
|
|
|
Druckbelastung |
|
Der Bemessungswert der Druckbeanspruchbarkeit
ist anzusetzen mit |
|
|
|
Schubbelastung |
|
Der Bemessungswert der Schubbeanspruchbarkeit ist anzusetzen
mit |
|
|
|
 |
|
 |
Programmanwendung |
|
 |
|
Es werden nur die wesentlichen Parameter
zur Berechnung der Tragfähigkeit der Grundkomponente
9 angefordert. |
Die Stahlsorte kann einer Liste der gängigen
Typen entnommen werden oder per Hand in das Eigenschaftsblatt
eingeben werden (s. Allgemeines
zur Programmeingabe). |
|
|
|
Bei Zugbeanspruchung ist neben Stahlgüte,
Blechdicke und Blechbreite die Netto-Blechbreite, d.h.
die Blechbreite unter Lochabzug, anzugeben. Die Netto-Querschnittsfläche
ergibt sich dann zu Anet = t · bnet. |
Bei Druckbeanspruchung ist zusätzlich
die Querschnittsklasse des Profils (s. Klassifizierung
von Querschnitten) vorzugeben. |
|
|
|
 |
|
 |
EC 3-1-8, 6.2.6.4 bis
6, Grundkomponente 10, bei Träger-Stützenverbindungen
und Trägerstößen |
|
|
 |
Anwendungsgrenzen |
|
 |
|
Schrauben sind die Verbindungsmittel der
Grundkomponenten 4 (Stützenflansch mit Biegebeanspruchung),
5 (Stirnblech mit Biegebeanspruchung) und 6 (Flanschwinkel
mit Biegebeanspruchung). |
In der Grundkomponente 10 wird die Zugtragfähigkeit
normaler und Edelstahl-Schrauben nach Kategorie D ermittelt. |
|
|
|
Nähere Informationen finden Sie in
der Programmbeschreibung der Basisverbindungen
zur Berechnung der Zugtragfähigkeit von Schrauben. |
|
 |
Programmanwendung |
|
 |
|
|
|
Es werden nur die wesentlichen Parameter
zur Berechnung der Tragfähigkeit der Grundkomponente
10 angefordert. |
Die Schraubenparameter können Listen
der gängigen Typen und Güten entnommen werden
oder per Hand in das Eigenschaftsblatt eingeben werden
(s. Allgemeines
zur Programmeingabe). |
|
|
|
 |
|
 |
EC 3-1-8, 3.6, Grundkomponente
11, bei Träger-Stützenverbindungen und
Trägerstößen |
|
|
 |
Anwendungsgrenzen |
|
 |
|
In dieser Grundkomponente wird die Abschertragfähigkeit
von normalen und Edelstahl-Schrauben nach Kategorie A ermittelt. |
Nähere Informationen finden Sie in
der Programmbeschreibung der Basisverbindungen zur Berechnung der Abschertragfähigkeit von Schrauben. |
|
|
|
|
 |
Programmanwendung |
|
 |
|
|
|
Es werden nur die wesentlichen Parameter
zur Berechnung der Tragfähigkeit der Grundkomponente
11 angefordert. |
Die Schraubenparameter können Listen
der gängigen Typen und Güten entnommen werden
oder per Hand in das Eigenschaftsblatt eingeben werden
(s. Allgemeines
zur Programmeingabe). |
Ein Futterblech muss nur angegeben werden,
wenn die Schraube die Scherkraft über das Futterblech
überträgt. |
|
|
|
Die Schertragfähigkeit ist von der
Lage der Scherfuge zum Schraubenschaft abhängig.
Sie ist geringer, wenn das Gewinde in der Scherfuge liegt. |
|
|
|
 |
|
 |
EC 3-1-8, 3.6, Grundkomponente
12, bei Träger-Stützenverbindungen und
Trägerstößen |
|
|
 |
Anwendungsgrenzen |
|
 |
|
In dieser Grundkomponente wird die Lochleibungstragfähigkeit
normaler und Edelstahl-Schrauben nach
Kategorie A ermittelt. |
Nähere Informationen finden Sie in
der Programmbeschreibung der Basisverbindungen
zur Berechnung der Lochleibungstragfähigkeit von
Schrauben. |
|
 |
|
 |
Programmanwendung |
|
 |
|
|
|
Es werden nur die wesentlichen Parameter
zur Berechnung der Tragfähigkeit der Grundkomponente
12 angefordert. |
Die Stahlgüten und Schraubenparameter
können Listen der gängigen Typen und Güten
entnommen werden oder per Hand in das Eigenschaftsblatt
eingeben werden (s. Allgemeines
zur Programmeingabe). |
|
|
|
|
|
|
|
Die Lochleibungstragfähigkeit betrifft
Schraube und Anschlussblech, da die Zugkraft die Kontaktflächen
von Schraube und Blech belastet. |
Das Blech kann, je nach Position der Schraube,
einen größeren oder kleineren Widerstand bieten.
Daher sind
neben der Blechdicke (s.o.) auch die Randabstände
e und die Abstände zu den Nachbarschrauben (Lochabstände)
einzugeben. |
In Kraftrichtung wird zwischen Rand- und
Innenschrauben unterschieden; quer zur Kraftrichtung werden
- wie bei allen Schraubenverbindungen der Grundkomponenten
- stets nur zwei Randschrauben angenommen. |
|
|
|
 |
|
 |
EC 3-1-8, 4, Grundkomponente
19, bei Träger-Stützenverbindungen und
Trägerstößen |
|
|
 |
Anwendungsgrenzen |
|
 |
|
In dieser Grundkomponente wird die Tragfähigkeit
einer doppelseitigen Schweißnaht ermittelt. |
Nähere Informationen finden Sie in
der Programmbeschreibung der Basisverbindungen
zur Berechnung
der Schweißnähte. |
 |
|
 |
Programmanwendung |
|
 |
|
|
|
Es werden nur die wesentlichen Parameter
zur Berechnung der Tragfähigkeit der Grundkomponente
19 angefordert. |
Die Stahlgüten können Listen der
gängigen Güten entnommen werden oder per Hand
in das Eigenschaftsblatt eingeben werden (s. Allgemeines
zur Programmeingabe). |
Die Schweißnaht kann als Kehl- oder
Stumpfnaht ausgeführt sein. |
Die wirksame Nahtlänge und der Öffnungswinkel
der Naht sowie die Blechdicken der zu verschweißenden
Bauteile müssen angegeben werden. |
Bei der Ermittlung der Tragfähigkeit
von Kehlnähten können Futterbleche berücksichtigt
werden. |
|
 |
|
Ist die Stumpfnaht durchgeschweißt,
braucht keine Nahtdicke vorgegeben zu werden, da sie der
Blechdicke t2 entspricht. |
Wird der Öffnungswinkel einer Stumpfnaht
mit φ = 0° angegeben, wird in den Darstellungen
ein geschweißter Trägerstoß gezeichnet;
die Berechnung ändert sich jedoch nicht. |
|
 |
|
|
|
 |
|
 |
EC 3-1-8, 6.2.6.7, Grundkomponente
20, bei Träger-Stützenverbindungen und
Trägerstößen |
|
|
 |
Anwendungsgrenzen |
|
 |
|
Mit dieser Grundkomponente wird die Tragfähigkeit
einer Trägervoute ermittelt. |
Dazu werden für die Voute-Stützen-Verbindung
der gevoutete Trägerflansch und -steg mit Druckbeanspruchung
(Grundkomponente 7) und für die Voute-Träger-Verbindung
der Trägersteg mit Querdruckbeanspruchung (Grundkomponente
2) untersucht. |
Da die Tragfähigkeiten einer Trägervoute
an zwei verschiedenen Stellen (Anschnitt Voute-Stütze
und Lagerung
Träger-Voute) ermittelt werden, sind auch für
die beiden Stellen zwei i.A. voneinander unabhängige
Beanspruchungsgrößen vorzugeben. |
|
 |
|
 |
Tragfähigkeit |
|
 |
|
Die Ermittlung der Tragfähigkeit erfolgt |
|
|
|
Dafür gelten folgende Voraussetzungen,
die stets abgeprüft werden |
|
 |
die Stahlgüte der Voute entspricht
der Stahlgüte des Trägers |
 |
es muss gelten: tf,v ≥ tf,b
und bf,v ≥ bf,b und tw,v
≥ tw,b |
 |
Winkel αv ≤ 45° |
|
|
Beträgt die Höhe des Trägers
einschließlich Voute mehr als 600 mm, ist der Beitrag
des Trägerstegs zur Tragfähigkeit bei Druckbeanspruchung
auf 20 % zu begrenzen. |
|
 |
Verbindung Voute-Stütze n. Grundkomponente 7 (Voutenflansch und -steg mit Druckbeanspruchung) |
|
 |
|
Die Querkraft zur Berücksichtigung
der Momenten-Querkraft-Interaktion wird ignoriert. |
Die Profilhöhe entspricht der Trägerhöhe
einschließlich Voute h = hb + hv
mit hv = Lv · tan αv,
die Flanschdicke
ist tf = tfv. |
Die Widerstandsmomente sind für den
Gesamtquerschnitt (Träger mit Voute) zu ermitteln. |
Weitere Informationen zur Berechnung der
Tragfähigkeit finden Sie hier. |
|
 |
Verbindung Voute-Träger n. Grundkomponente 2 (Trägersteg mit Querdruckbeanspruchung) |
|
 |
|
Die Längsdruckspannung im Trägersteg
zur Berechnung des Abminderungsbeiwerts kw
wird ignoriert. |
Zur Berechnung der Steghöhe zwischen
den Ausrundungen wird tfo = tfu
= tf,b angenommen, daraus ergibt sich
db = hb - 2 (tf,b + sb). |
Stegverstärkungen werden nicht unterstützt. |
Weitere Informationen zur Berechnung der
Tragfähigkeit finden Sie hier. |
|
 |
Programmanwendung |
|
 |
|
|
|
Es werden nur die wesentlichen Parameter
zur Berechnung der Tragfähigkeit der Grundkomponente
20 angefordert. |
Die Stahlgüten können Listen der
gängigen Güten entnommen werden oder per Hand
in das Eigenschaftsblatt eingeben werden (s. Allgemeines
zur Programmeingabe). |
Die Bedeutungen der geometrischen Parameter
können der obigen Skizze entnommen werden. |
Die Tragfähigkeit einer Voute wird
an zwei verschiedenen Stellen berechnet und nachgewiesen.
|
Es ist dem Anwender freigestellt, |
|
 |
beide Stellen oder |
 |
nur den Anschnitt Voute-Stütze oder |
 |
nur den Lagerbereich Voute-Träger |
|
|
zu berechnen. |
Zur Ermittlung der Tragfähigkeiten
sind weitere Eingaben notwendig |
|
|
|
Am Anschnitt Voute-Stütze beziehen
sich die Widerstandsmomente auf die Gesamthöhe (Träger
mit Voute), wobei der untere Trägerflansch vernachlässigt
werden darf. |
|
|
|
Am Anschnitt Voute-Träger wird die
Schubfläche auf die Trägerhöhe bezogen. |
|
|
|
 |
|
 |
Sonderkomponente 15, nur bei Trägerstößen |
|
|
 |
Anwendungsvoraussetzungen |
|
 |
|
 |
geschraubte Stirnblechstöße mit zwischenliegender
Trennschicht können bemessen werden |
 |
die Trennschicht ist nach Art
des Kerncompactlagers der Fa.
Calenberg Ingenieure GmbH auszuführen |
|
|
 |
Tragfähigkeit |
|
 |
|
Der Nachweis der Trennschicht folgt L.
Nasdala; die Tragfähigkeit wird nach Y.
Ciupack ermittelt. |
|
Zunächst werden aus der gegebenen Belastung die linearen
Randspannungen der Trennschicht σo und σu ermittelt.
Daraus ergibt sich der Spannungsnulldurchgang bei z0. |
|
 |
|
Gibt es über den Querschnitt einen Bereich mit σ > 0
(Zugbereich), ist die vorhandene Schraubenkraft zu ermitteln. |
Die Schraubenkraft wird über Integration der Zugspannungen
berechnet |
|
|
Die effektive Länge der Trennschicht ist der Bereich,
in dem eine konstante mittlere Druckspannung angenommen werden kann. |
|
 |
|
Die Anzahl der Schrauben im effektiven Druckbereich
(d.h. innerhalb der Fläche hm·bm) wird bei
der Berechnung der zulässigen mittleren Druckspannung der Trennschicht
berücksichtigt. Die Bemessung erfolgt mit Hilfe des Formfaktors. |
Für das bisherige Material (Zulassung als Baulager
bis 2016, wurde zurückgezogen) ergibt sich |
|
 |
|
Der Nachweis des aktuellen Materials (Zulassung bis
2029) basiert auf Bemessungsgrößen.
Für Schichtdicken bis 15 mm ergibt sich |
|
 |
|
Eine Schichtdicke von 20 mm ergibt |
|
 |
|
Die Bemessungsspannung wird vereinfachend aus der (charakteristischen)
mittleren Druckspannung berechnet mit |
|
|
 |
Nachweis der Schrauben auf Biegung |
|
|
|
Bei Querkraftbeanspruchung bietet die Trennschicht
zwischen den Stirnplatten nur wenig Widerstand gegen Biegung. |
Daher sind die Schrauben mit dem Gewinde in der Scherfuge
auf Abscheren und Biegung nachzuweisen. |
Die Querkraft wird nur von den Druckschrauben übertragen. |
|
Der Nachweis erfolgt analog zum Nachweis einer Bolzenverbindung nach
EC 3-1-8, 3.13, wobei im Unterschied zum Bolzen das Gewinde in der
Scherfuge liegt, und daher die Querschnittswerte aus dem Spannungsquerschnitt
der Schrauben gebildet werden. |
|
 |
|
 |
Tragfähigkeit
eines Stirnblechstoßes mit thermischer Trennschicht |
|
|
|
Unter der Annahme, dass die Druckkraft vom Trägerflansch über
das Stirnblech (Ausbreitungsmaß 1:1.25) in die Trennschicht (Ausbreitungsmaß 1:1)
eingeleitet wird, wird die effektive Breite in der Mitte der Trennschicht
berechnet. Die Überstände des Stirnblechs und der Trennschicht vom
Trägerflansch sind dabei zu berücksichtigen. |
|
 |
|
Zur Ermittlung der Tragfähigkeit ist die effektive
Fläche mit der zulässigen Bemessungsfestigkeit (fe = σm,zul / γMe)
zu multiplizieren. |
|
|
|
 |
Programmanwendung |
|
 |
|
|
|
Es werden nur die wesentlichen Parameter zur Berechnung
der Tragfähigkeit der Grundkomponente 15 angefordert. |
|
Fa. Calenberg Ingenieure GmbH stellt
das Material des Kerncompaktlagers mit der Zulassung als Baulager
bis 2016 um. Das aktuelle Material hat eine Zulassung bis 2029. |
Zur Beurteilung bestehender Objekte kann das veraltete Material weiterhin
ausgewählt werden. |
Die Trennschicht wird mit den Dicken 5 mm, 10 mm, 15
mm, 20 mm angeboten. |
Die Dicke der Trennschicht sollte die Stirnplattendicke
bzw. 20 mm nicht überschreiten. |
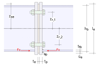
Die Trennschicht befindet sich im Bereich des Trägers
und sollte in Breiten- und Höhenrichtung sämtliche
Schrauben mit ausreichendem Überstand einschließen. |
Die Abmessungen sollten so gewählt sein, dass
die Trennschicht aufgrund der möglichen Stauchungsauswölbung
nicht über die Stirnplatten hinausragt, d.h. der Abstand zum Stirnblechrand
sollte mindestens der Trennschichtdicke entsprechen üe ≥ te. |
Für die Berechnung der Tragfähigkeit ist
die Schweißnahtdicke (Kehlnaht, je Seite) am Druckflansch anzugeben.
Die Schweißnähte werden nicht bemessen. |
Es kann eine für alle Schrauben einheitliche Vorspannkraft
(je Schraube) vorgegeben werden. |
|
Schraubenreihen |
 |
|
|
|
Es kann eine beliebig große Anzahl an Schraubenreihen
mit 2 oder 4 Schrauben je Reihe eingegeben werden. |
Bezogen auf die Trennschichtoberkante wird die Systemachse
des Trägers festgelegt. |
Auf diese beziehen sich die Abstände der Schraubenreihen. |
|
Die Schrauben werden auf Zug sowie Abscheren, Lochleibung
und Biegung bemessen. |
|
Belastung |
 |
|
|
|
Zur Ermittlung der gedrückten Fläche der
Trennschicht sind die einwirkenden Schnittgrößen (nur einachsig,
belastet um die starke Achse) im EC3-Koordinatensystem anzugeben. |
Die Anwendung des Verfahrens von L. Nasdala setzt voraus,
dass Biegemoment und Normalkraft als charakteristische Größen
in der Systemachse gegeben sind. |
Die Schrauben werden mit der Bemessungsquerkraft in
der Anschlussebene nachgewiesen. |
|
|
|
 |
zur Hauptseite 4H-EC3GK,
Grundkomponenten |
 |
|
|