 |
|
Seite überarbeitet Februar 2024 |
 |
Kontakt |
 |
|
 |
Programmübersicht |
 |
|
 |
Bestelltext |
 |
|
|
Infos auf dieser Seite |
... als pdf |
 |
|
 |
 |
Eingabeoberfläche .................. |
 |
|
 |
Theorie Lasteinleitung EC 3-6 |
 |
|
 |
... Allgemeines ..................... |
 |
|
 |
Geometrie u. Material ............. |
 |
|
 |
... Allgemeines ..................... |
 |
|
 |
... Spannungsnachweis GZT |
 |
|
 |
Lasteinleitung ........................ |
 |
|
 |
... Spannungsnachweis GZG |
 |
|
 |
... Spannungsnachweis GZG |
 |
|
 |
Schnittgrößen ........................ |
 |
|
 |
... Spannungsnachweis GZT |
 |
|
 |
... Nachweis der Stegsteifen |
 |
|
 |
Schnittgrößenimport ............... |
 |
|
 |
... Beispiel ............................ |
 |
|
 |
Kranbahn Obergurt............... |
 |
|
|
 |
Biegeträger ........................... |
 |
|
 |
... Untergurt .......................... |
 |
|
|
|
|
 |
|
 |
|
Bild vergrößern |
 |
|
|
|
 |
EC 3,
Nachweis der Lasteinleitung |
Mit dem Programm 4H-EC3LK,
Lasteinleitung, wird die lokale Lasteinleitung
infolge konzentrierter
Einzel- oder Kranbahnbelastung auf ein
Doppel-T-Profil nachgewiesen. |
|
|
|
Die zugehörigen Eingabeparameter werden
in eigenen Registerblättern verwaltet, die über folgende
Symbole
die dahinter liegende Parameterauswahl kenntlich machen. |
|
 |
|
 |
Im ersten Registerblatt werden das
Trägerprofil beschrieben und die Stahlgüte
festgelegt. |
Der Querschnitt wird zur visuellen
Kontrolle maßstäblich am Bildschirm
dargestellt. |
|
|
|
 |
|
 |
Im zweiten Registerblatt
werden die Querbelastung (Kranbahn, Einzellast)
sowie die nachweisrelevanten Parameter für
den Nachweis der Lasteinleitung angegeben. |
|
|
|
 |
|
 |
Die Schnittgrößen werden
im dritten Registerblatt festgelegt und können
entweder 'per Hand'
eingegeben oder aus einem pcae-Programm importiert werden. |
Um Schnittgrößen importieren
zu können, muss das entsprechende 4H-Programm
in der
exportfähigen Version
installiert sein. |
Die Schnittgrößen
beziehen sich auf den Schwerpunkt des ggf. ausgesteiften
Profils und das Koordinatensystem
der Statik (x-y-z bzw. l-m-n). |
|
|
|
 |
automatische Onlineberechnung |
|
 |
Dieser Schalter kann an oder aus sein. Ist er an, wird das Berechnungsergebnis online während
der Eingabe aktualisiert und am Bildschirm protokolliert. |
|
|
|
 |
|
 |
Weiterhin ist zur vollständigen
Beschreibung der Berechnungsparameter der dem Eurocode
zuzuordnende nationale Anhang zu wählen. |
Über den NA-Button wird das entsprechende Eigenschaftsblatt aufgerufen. |
|
|
|
 |
|
 |
Im Eigenschaftsblatt, das nach Betätigen
des Druckeinstellungs-Buttons
erscheint, wird der Ausgabeumfang der Druckliste festgelegt. |
|
|
|
 |
|
 |
Das Statikdokument kann durch Betätigen
des Visualisierungs-Buttons am Bildschirm
eingesehen werden. |
|
|
|
 |
|
 |
Über den Drucker-Button
wird in das Druckmenü gewechselt,
um das Dokument auszudrucken. |
Hier werden auch die Einstellungen
für die Visualisierung vorgenommen. |
|
|
|
 |
|
 |
Über den Pläne-Button
wird das pcae-Programm zur Planbearbeitung aufgerufen. |
Der aktuelle Querschnitt wird im pcae-Planerstellungsmodul
dargestellt, kann dort
weiterbearbeitet, geplottet
oder im DXF-Format exportiert werden. |
|
|
|
 |
|
 |
Über den Hilfe-Button
wird die kontextsensitive Hilfe zu den einzelnen
Registerblättern aufgerufen. |
|
|
|
 |
|
 |
Das Programm kann mit oder ohne Datensicherung
verlassen werden. |
Bei Speichern der Daten wird die
Druckliste aktualisiert und in das globale Druckdokument
eingefügt. |
|
|
|
|
|
 |
|
 |
im Register 1 werden die Material-
und Geometrie-Parameter festgelegt |
|
|
 |
|
Bild vergrößern |
 |
|
|
|
Materialsicherheitsbeiwerte |
 |
|
Im Programm 4H-EC3LK werden
nach EC 3-1-8 folgende Materialsicherheitsbeiwerte herangezogen |
|
|
|
Die Werte können entweder den entsprechenden Normen
(s. Nationaler Anhang)
entnommen oder
vom Anwender vorgegeben werden. |
|
Stahlsorte |
 |
|
Es wird eine einheitliche Stahlgüte für die
Einzelelemente (Trägerprofil, Längssteifen,
Kranschiene) festgelegt. |
|
|
|
Da die Beschreibung der Stahlparameter nach EC 3 programmübergreifend
identisch ist, wird auf die allgemeine Beschreibung der Stahlsorten verwiesen. |
|
Export / Import |
 |
|
Die Eingabedaten können über die Copy-Paste-Funktion
von einem Bauteil in ein anderes übertragen werden. |
|
|
|
Dazu ist der aktuelle Datenzustand im abgebenden Bauteil über
den Button Daten exportieren in die
Zwischenablage zu kopieren und anschließend über den Button Daten
importieren in das aktuell geöffnete
Bauteil aus der Zwischenablage zu übernehmen. |
Diese Funktionalität ermöglicht es außerdem,
die Eingabedaten aus dem Programm 4H-EC3LK,
Lasteinleitung
aus Kranbahn, in die Programme 4H-EC3BL,
Beulen, oder 4H-EC3EM, Ermüdungsnachweis,
zu übertragen. |
Die Daten können natürlich auch zurücktransportiert
werden. |
|
Geometrie |
 |
|
Das Programm 4H-EC3LK
weist die lokale Lasteinleitung durch eine Kranbahn oder konzentrierte
Einzellast in ein Doppel-T-Profil nach. |
Die Parameter des Trägerprofils können dabei entweder über
den pcae-eigenen Profilmanager in
das Programm importiert oder als typisiertes
Stahlprofil parametrisiert eingegeben werden. |
|
|
|
Um ein Profil aus dem Angebot des Profilmanagers zu
wählen, ist der grün unterlegte Pfeil zu betätigen. |
Das externe Programm wird aufgerufen und ein Profil
kann aktiviert werden. Bei Verlassen des Profilmanagers
werden die
benötigten Daten übernommen und der Profilname protokolliert. |
|
Zur Definition eines parametrisierten Profils wird
zunächst seine Klasse über eine Listbox festgelegt, anhand
derer bestimmt wird, welche weiteren Parameter freigelegt werden. |
Das Programm berechnet Träger mit Doppel-T-Profilen
(I, H-,
DIL-, S-, W-Profile). |
Andere Profilklassen sind in der Listbox farblich gekennzeichnet
und können nicht verwendet werden. |
|
|
|
Bei gewalzten Profilen werden die Ausrundungsradien
zwischen Flansch und Steg geometrisch berücksichtigt,
während geschweißte Blechprofile mit Schweißnähten
zusammengefügt sind. |
Diese Schweißnähte werden nicht nachgewiesen. |
|
Das Trägerprofil kann durch
vertikale Quersteifen (Schotte, Rippen) unterstützt
werden. |
Erfolgt die Lasteinleitung bei einem Biegeträger über
Rippen (s. Reg. 2) sind die Querschnittswerte der Quersteifen anzugeben. |
|
|
|
Wird ein Wert für die Blechlänge
angegeben und ist dieser Wert kleiner als der Abstand zwischen den
Flanschen, wird eine 'kurze' Steife berechnet. Diese wirkt nicht beim Nachweis des Querlastbeulens (s. Reg. 2). |
Eine 'kurze' Quersteife wird stets
am belasteten Flansch (Lasteinleitung am Ober- oder Untergurt) angebracht. |
|
Bei einigen Nachweisen ist lediglich
der Abstand der Quersteifen von statischem Interesse. |
|
|
|
|
Der Trägersteg kann längs ausgesteift
sein. Dazu können
bis zu fünf Längssteifen mit äquidistantem Abstand
voneinander
angeordnet werden. |
Zunächst ist die Anzahl an Steifen festzulegen, anschließend
der Abstand der ersten Steife von Oberkante
Träger bzw. vom
oberen Blechrand sowie der Abstand der Steifen voneinander. |
Es ist darauf zu achten, dass die Steifen sich nicht
berühren bzw. überschneiden! |
Die Steifen können wie das Trägerprofil entweder
aus dem Profilmanager ausgewählt oder parametrisiert
eingegeben
werden. |
Als Längssteifen stehen Winkel-, U- bzw. C-, T- bzw.
1/2I-, Trapez-Profile und Flachstähle zur Verfügung,
wobei Trapezprofil und Flachstahl nur parametrisiert eingegeben werden können. |
|
|
|
Die Längssteifen können einseitig oder beidseits
des Trägerstegs
angebracht sein. |
|
Zur visuellen Kontrolle wird das ausgewählte
Profil einschl. Längssteifen maßstäblich
am Bildschirm angezeigt.
Die Abstände der Längssteifen
sind bezeichnet. |
|
|
|
|
|
 |
|
 |
im Register 2 befinden sich die Angaben
zur Belastung des Trägers durch eine Kranbahn oder Einzellast
sowie nachweisspezifische Einstellungen |
|
|
 |
|
Bild vergrößern |
 |
|
|
|
|
|
Der Lasteinleitungsnachweis wird für
einen Doppel-T-Träger
mit Kranbahnbelastung am Ober- oder Untergurt oder für einen Biegeträger
mit einer konzentrierten (Einzel)last geführt. |
|
Kranbahn |
 |
|
Die Beschreibung der Rechenparameter der Kranbahn finden
Sie hier. |
|
Soll eine aufgesetzte Kranbahn mit Lasteinleitung am Obergurt
nachgewiesen werden, sind Spannungsnachweise im Grenzzustand der Tragfähigkeit
(GZT) und Gebrauchstauglichkeit (GZG) an der Stegoberkante zu führen. |
|
|
|
Bei Hängekranen oder Unterflanschkatzbahnen
werden optional die Tragfähigkeiten im GZT und im GZG nachgewiesen. |
|
|
|
Einzellast |
 |
|
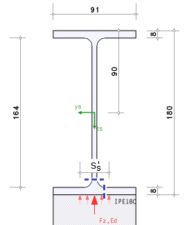
Die Resultierende der konzentrierten Last
wird als Druckkraft Fz,Ed senkrecht zur Trägerachse
eingegeben. Sie wirkt gleichmäßig
im Bereich der starren Lasteinleitungslänge
ss. |
Unter Berücksichtigung der Belastungsart wird die starre
Lasteinleitungslänge nach EC 3-1-5, Kap. 6.3, berechnet. |
|
|
|
Bei einer Trägerkreuzung ergibt sie
sich unter Annahme einer 45°-Lastausbreitung von der Mittelachse des
Lastträger-Stegs tangential an den
Ausrundungsradius oder die Schweißnähte zu |
|
|
|
|
Wird ein Blech aufgeschweißt, berechnet
sich die Lasteinleitungslänge zu |
|
|
|
|
Bei einem Auflager entspricht die wirksame
Auflagerlänge der Lasteinleitungslänge. |
|
|
|
Natürlich kann die starre Lasteinleitungslänge
auch direkt vorgegeben werden. |
|
Die Lasteinleitungsbreite, d.h. die
Kontaktbreite auf dem Trägerflansch, wird analog der Lasteinleitungslänge
für den Lastträger einer Trägerkreuzung berechnet.
Sie wird vor allem für
die Berechnung der Lagerpressung verwendet. |
|
Eine konzentrierte Lasteinleitung erfordert Nachweise im GZT. |
|
|
|
Zusätzlich kann der Nachweis der Flanschbiegung
(im GZG analog Kranbahnträger) geführt werden.
Der Nachweis ist nach EC
3 nicht gefordert, da er i.A. nicht relevant ist. |
|
Querlastbeulen |
 |
|
Der Nachweis der rippenlosen Lasteinleitung
wird geführt, wenn keine zwischenliegenden Rippen im Bereich der
Querlast
angeordnet sind. |
Voraussetzung: Der Trägerquerschnitt
ist nicht beulgefährdet, d.h. Platten- und Schubbeulen sind ausgeschlossen
bzw. werden nicht untersucht. |
Die Querlasten werden entweder a) im Trägerfeld,
b) am Zwischenauflager oder c) am Trägerende (Kragarm) eingeleitet.
In den Fällen a) und b) sind Quersteifen zur Definition des Beulfelds vorzugeben. |
|
|
|
Im Fall c) ist der Abstand des Lasteinleitungsbereichs
zum Trägerende vorzugeben. |
|
|
|
Der Nachweis der Interaktion wird für
Querbelastung mit Vergleichsspannung durchgeführt. |
|
Die Beschreibung der Berechnung finden
Sie hier. |
|
Kann die Last rippenlos nicht eingeleitet
werden, können Quersteifen zur Aussteifung angeordnet werden. |
|
|
|
Bei Anordnung von zwischenliegenden Quersteifen,
die an beiden Flanschen angeschweißt werden, wird die Trag-
fähigkeit
der Stegpressung erhöht.
Nachweise des Querlastbeulens und der Flanschbiegung sind nicht erforderlich. |
Kurze Quersteifen,
die nur an einem Flansch angeschweißt werden, erhöhen die
Tragfähigkeit der Stegpressung.
Jedoch ist der Nachweis des Querlastbeulens zu führen. Flanschbiegung
ist nicht relevant. |
|
Der Querschnitt wird einschl. Kranbahn und Belastung maßstäblich
am Bildschirm angezeigt. Änderungen in diesem Register werden direkt umgesetzt. |
|
|
|
Ist der Button auto in der Kopfzeile des Programmfensters aktiviert, werden
die Berechnungsergebnisse
permanent abgeglichen und online am Bildschirm dargestellt (s.a. Schnittgrößen). |
|
|
|
|
|
 |
|
 |
das dritte und vierte Register
beinhalten die Masken zur Eingabe der Bemessungsschnittgrößen
im GZT und GZG und ggf. die vorhandene Ausnutzung |
|
Die Schnittgrößen werden als Bemessungsgrößen
in der Vorzeichendefinition der
Statik eingegeben, wobei das x,y,z-Koordinatensystem
dem l,m,n-Stabsystem
der pcae-Tragwerksprogramme entspricht. |
|
Es können bis zu 10.000 Schnittgrößenkombinationen eingegeben werden. |
Bemessungssituation: Grenzzustand der Tragfähigkeit
/ Gebrauchstauglichkeit. |
|
 |
|
|
 |
|
Sind Längssteifen an den Querschnitt angeschweißt,
verschiebt sich die Träger-Schwerachse. |
Es besteht daher die
Möglichkeit,
die
Schnittgrößen
entweder
bezogen auf
den unversteiften (relevant z.B. bei Übernahme der
Schnittgrößen aus einem 4H-Programm) oder auf den versteiften
Querschnitt einzugeben. |
|
|
|
Schnittgrößen importieren |
 |
Detailnachweisprogramme zur Bemessung von Anschlüssen,
Fußpunkten
und zum Nachweis von Sonderproblemen (Beulen, Ermüdung, Lasteinleitung)
etc. benötigen
Schnittgrößenkombinationen, die häufig von einem
Tragwerksprogramm zur Verfügung gestellt werden. |
Dabei handelt es sich i.d.R. um
eine Vielzahl von Kombinationen, die im betrachteten
Bemessungsschnitt des übergeordneten Tragwerkprogramms vorliegen
und in das Anschlussprogramm übernommen werden sollen. |
|
pcae stellt neben der 'per Hand'-Eingabe
zwei verschiedene Mechanismen zur Verfügung, um Schnittgrößen
in das vorliegende Programm zu integrieren. |
|
 |
|
 |
Import aus einem 4H-Programm |
|
Voraussetzung zur Anwendung des DTE®-Import-Werkzeugs
ist, dass sich ein pcae-Programm
auf dem Rechner befindet, das Ergebnisdaten exportieren
kann. |
Eine ausführliche Beschreibung zum
Schnittgrößenimport aus einem pcae-Programm
befindet sich hier. |
|
|
 |
Import aus einer Text-Datei |
|
Die Schnittgrößenkombinationen können
aus einer Text-Datei im ASCII-Format eingelesen werden. |
Die Datensätze müssen in der Text-Datei in
einer bestimmten Form vorliegen; der entsprechende Hinweis wird bei
Betätigen des Einlese-Buttons gegeben. |
Anschließend wird der
Dateiname einschl. Pfad der entsprechenden Datei abgefragt. |
Es werden sämtliche vorhandenen
Datensätze
eingelesen und in die Tabelle übernommen.
Bereits bestehende
Tabellenzeilen bleiben erhalten. |
Wenn keine Daten gelesen werden können, erfolgt eine entsprechende
Meldung am Bildschirm. |
|
|
|
|
Nachweisergebnis |
 |
 |
Ist der Button auto in
der Kopfzeile des Programmfensters angeschaltet, werden
die Berechnungs-
ergebnisse permanent abgeglichen und online
am Bildschirm dargestellt. |
|
|
|
|
|
 |
Je
nach Nachweisoptionen und Anzahl an Lastkollektiven können die
Berechnung und damit der
Bildaufbau sehr lange dauern. pcae empfiehlt, den Button auto zunächst auszuschalten. |
|
|
|
|
 |
|
Die statische Berechnung eines Bauteils beinhaltet
i.A. die Modellbildung mit anschließender Berechnung
des Tragsystems sowie nachfolgender Einzelnachweise
von Detailpunkten. |
Bei der Beschreibung eines Details sind die zugehörenden
Schnittgrößen aus den Berechnungsergebnissen des Tragsystems zu extrahieren
und
dem Detailnachweis zuzuführen. |
|
In der 4H-Programmorganisation gibt es hierzu verschiedene
Vorgehensweisen |
 |
zum einen können Tragwerks- und Detailprogramm
fest miteinander verbunden sein, d.h. die Schnittgrößenüber-
gabe
erfolgt intern. Es sind i.A. keine weiteren Eingaben
(z.B. Geometrie) notwendig, aber auch möglich (z.B.
weitere Belastungen), die Programme bilden eine Einheit. |
Dies ist z.B. bei dem 4H-Programm Stütze
mit Fundament der Fall. |
|
 |
zum anderen können Detailprogramme Schnittgrößen von in Tragwerksprogrammen speziell festgelegten Exportpunkten über ein zwischengeschaltetes Export/Import-Tool einlesen |
Das folgende Beispiel eines einfachen Rahmens erläutert diesen 4H-Schnittgrößen-Export/Import. |
|
|
|
Zunächst sind im exportierenden 4H-Programm
(z.B.
4H-FRAP) die Stellen zu kennzeichnen, deren Schnitt-größen beim nächsten Rechenlauf exportiert, d.h.
für
den Import bereitgestellt, werden sollen. |
|
In diesem Beispiel sollen die Schnittgrößen
für eine Querschnittsbemessung übergeben werden. |
Dazu
ist an der entsprechenden Stelle ein Kontroll-
punkt zu setzen. |
|
Ausführliche Informationen zum Export entnehmen
Sie
bitte dem DTE®-Schnittgrößenexport. |
Nach einer Neuberechnung des Rahmens stehen die Exportschnittgrößen
dem aufnehmenden 4H-Programm (z.B. 4H-BETON, 4H-EC3SA, 4H-EC3IH, 4H-EC3BT,
4H-EC3GT, 4H-EC3IS) zum Import zur Verfügung. |
|
|
 |
|
|
 |
aus dem aufnehmenden 4H-Programm
wird nun über den Import-Button das
Fenster zur
DTE®-Bauteilauswahl aufgerufen.
Hier werden alle berechneten Bauteile dargestellt, wobei diejenigen,
die Schnittgrößen
exportiert haben, dunkel gekennzeichnet sind. |
|
|
Das gewünschte Bauteil kann nun markiert und über
den bestätigen-Button ausgewählt
werden. Alternativ kann
durch Doppelklicken des Bauteils direkt in die DTE®-Schnittgrößenauswahl verzweigt
werden. |
|
 |
|
In der Schnittgrößenauswahl werden die verfügbaren
Schnittgrößenkombinationen aller im übergebenden
Programm gekennzeichneten Schnitte angeboten. Dabei sind diejenigen Schnitte
deaktiviert, deren Material nicht kompatibel
mit dem Detailprogramm ist. |
Es wird nun der Schnitt angeklickt und damit geöffnet, dessen Schnittgrößen
eingelesen werden sollen. |
|
 |
|
In 4H-EC3SA
ist der komplette verfügbare Schnittgrößensatz importierbar.
Die Programme 4H-EC3BT, 4H-EC3RE,
4H-EC3IH und 4H-EC3IS importieren dagegen nur einen
auf ebene Beanspruchung reduzierten Satz, was jeweils
durch gelbe
Hinterlegung der Spalten angezeigt wird. Im Programm 4H-EC3GT
werden nur Normal- und Querkräfte erwartet. Im Programm 4H-EC3IS
werden nur Querkräfte erwartet. |
Die Schnittgrößenkombinationen können beliebig zusammengestellt
werden; pcae empfiehlt jedoch, nur diejenigen
auszuwählen, die als
Bemessungsgrößen für den zu führenden Detailnachweis
relevant sind. |
|
|
ein nützliches Hilfsmittel
bietet dabei der dargestellte Button, mit dem die Anzahl zu übertragender Lastkombinationen durch Eliminierung doppelter Zeilen stark reduziert werden kann. |
|
|
|
Wird nun die DTE®-Schnittgrößenauswahl bestätigt,
bestückt das Importprogramm die Schnittgrößentabelle,
wobei ggf. vorhandene Kombinationen erhalten bleiben. |
|
 |
|
Wenn eine Reihe von Anschlüssen gleichartig ausgeführt werden soll, können in einem Rutsch weitere Schnitt-
größen anderer Schnitte aktiviert und so bis zu 10.000 Kombinationen übertragen werden. |
|
|
Die Kompatibilität der Querschnitts- und Nachweisparameter
zwischen exportierendem und importierendem Programm ist zu gewährleisten. |
|
|
|
Eine Aktualisierung der importierten Schnittgrößenkombinationen, z.B. aufgrund einer Neuberechnung
des exportierenden Tragwerks, erfolgt nicht! |
|
|
|
|
|
 |
|
Allgemeines |
 |
|
Kranbahnträger werden beansprucht durch zweiachsige Biegung und Torsion. |
Diese globale Belastung wird auf Grund der hohen konzentrierten Radlasten
im Einleitungsbereich überlagert mit erheblichen Zusatzbeanspruchungen
aus
lokaler Druck-,
Biege- und Schubbelastung. |
Die konzentrierte Lasteinleitung erfordert lokale Nachweise, um die
Tragfähigkeit des Trägers zu gewährleisten. |
|
 |
bei aufgesetzten Brückenlaufkranen: Beulnachweis unter lokaler
Querbelastung n. EC 3-1-5, 4.4,
(s. Beschreibung 4H-EC3BL, Beulnachweise) |
|
|
 |
Ermüdungsnachweis n. EC 3-6,9, und EC 3-1-9, (s. Beschreibung 4H-EC3EM, Ermüdungsnachweis) |
|
|
 |
Spannungsnachweise im GZG n.
EC 3-6, 7.5 |
|
|
 |
bei Hängekranen/Unterflanschkatzen: Spannungsnachweise im
GZT n. EC 3-6, 6.7 |
|
|
|
|
Im Folgenden werden die Spannungsnachweise der Radlasteinleitung
aus Kranbahnen unter Berücksichtigung
des EC 3-6, Kranbahnen (s. Literatur),
erläutert. |
|
|
|
|
|
Spannungsnachweis im GZG |
 |
|
Um das elastische Verhalten des Trägerprofils sicherzustellen,
sollten die Spannungen aus der Lasteinleitung
begrenzt werden
mit |
|
Die Schnittgrößen werden aus der maßgebenden charakteristischen
(= seltenen) Lastfallkombination ermittelt. |
Dabei werden die globalen
Spannungen σx,Ed,ser und τEd,ser mit den lokalen Spannungen σoz,Ed,ser und τo,Ed,ser
(für aufgesetzte Brückenlaufkrane im Steg) bzw. σux,Ed,ser und σuy,Ed,ser (für
Hängekrane/Unterflanschkatzen im Unterflansch, Nachweis der Unterflanschbiegung) überlagert. |
Für aufgesetzte Brückenlaufkrane kann die Biegespannung σT,Ed infolge Exzentrizität der Radlasten
vernachlässigt werden. |
Der Materialsicherheitsbeiwert wird i.A. mit γM,ser = 1.0 angenommen. |
|
|
|
|
|
Spannungsnachweis im GZT |
 |
|
Die Tragfähigkeit des Unterflanschs eines Trägers bei Radlasteinleitung
aus einem Hängekran oder einer
Unterflansch-Laufkatze sollte ermittelt
werden mit |
|
Zur Ermittlung der effektiven Länge leff, des Abstands m sowie der Spannung
σf,Ed s. Kranbahn. |
|
|
|
|
|
Beispiel |
 |
|
|
Für einen längs versteiften Kranbahnträger (HEA 360,
eine
Steife L 70x7, Stahlgüte S 235) wird die Lastein-
leitung eines Hängekrans
am Trägerende (gestützter Unterflansch, Abstand des Rads vom
Trägerende
xe = 30 cm) nachgewiesen. |
|
|
 |
|
|
|
Zunächst werden die Querschnittswerte für die lineare Spannungsberechnung
bereitgestellt. |
|
Die lokalen Spannungen werden in den maßgebenden Bemessungspunkten
am Steg (0), im Bereich der
Lasteinleitung (1) und am Flanschrand (2)
berechnet (s. Kranbahn). |
|
Nach EC 3-6/NA-DE, 5.8, dürfen die lokalen Biegespannungen auf 75%
reduziert werden. |
|
Zur Ermittlung der globalen Spannungen sind ggf. die Biegemomente auf
den versteiften Querschnitt zu beziehen. |
Für jedes Lastkollektiv werden in den Nachweispunkten die globalen
Normal- und Schubspannungen σx,Ed und
τxz,Ed (s. Schnittgrößen)
berechnet und mit den lokalen Spannungen σux,Ed und σuy,Ed überlagert. |
|
Die Normal-, Schub- und Vergleichsspannungsnachweise werden geführt. |
|
Im Endergebnis werden die maximale Ausnutzung max U
sowie das maßgebende Lastkollektiv ausgegeben. |
|
|
|
|
|
|
|
|
|
 |
|
Eine Kranbahn kann am Ober- oder Untergurt des Trägers laufen. |
|
|
Kranbahn am Obergurt |
 |
|
Verläuft die Kranbahn am
Obergurt, wird der Träger durch das Rad einer
Kranbahnachse belastet, das andere Rad
der Achse fährt auf einem zweiten
Träger. |
Das Rad läuft
auf einer Schiene, die zentrisch über
dem Trägersteg
angeordnet ist. Dadurch wird die Kranbahnlast möglichst günstig
in die Unterkonstruktion geleitet. |
Für die lokalen Nachweise der Lasteinleitung und der Ermüdung sind die lokalen Spannungen aus der Radlast der Kranbahn zu berechnen. |
Die Radlast setzt sich zusammen aus einer ggf. exzentrisch zur Trägerachse
z wirkenden Druckkraft Fz,Ed
sowie einer am Schienenkopf angreifende Horizontallast HEd. |
Die Horizontallast HEd wird
nur beim Nachweis der Lasteinleitung berücksichtigt. |
|
|
|
 |
Bei exzentrischen
Querlasten sind stets Quersteifen im Steg anzuordnen! |
|
|
|
|
|
|
|
In pcae-Programmen werden die Schienentypen Flachstahl, Form
A und Form F unterstützt. |
Die zur Berechnung erforderlichen
Parameter werden aus den Abmessungen des Typs Flachstahl berechnet
bzw. sind für die Typen Form A und Form F hinterlegt. |
Über den Typ Sonderform können die Berechnungsparameter vom Anwender vorgegeben werden. |
|
|
|
Die Verbindung der Schiene mit dem Träger kann schubfest oder schwimmend
erfolgen. Bei einer schubfesten Verbindung darf der (abgenutzte) Schienenquerschnitt
dem Trägerquerschnitt zugeordnet werden. |
|
|
|
Eine schubfeste Verbindung kann
durch Schweißnähte oder HV-Schrauben erfolgen. |
Bei einer Verbindung mit Schweißnähten sind die Schweißnahtdicke
und je nach Ausführung (durchlaufend oder unterbrochen
mit gegenüberliegender
oder
versetzter
Nahtanordnung)
die Abschnittslänge der Naht
anzugeben. |
|
|
|
HV-Schrauben haben die Festigkeitsklassen 8.8 oder 10.9 und können nur
an die breitfüßige Schiene Form A (ggf. Sonderform) angebracht werden. Hier
ist der Abstand der Schrauben vom seitlichen Rand des Schienenfußes anzugeben. |
|
|
|
Eine schwimmende Verbindung kann über Klemmen hergestellt werden,
wobei eine Klemmplatte den Schienenfuß
am Trägergurt fixiert. |
Eine elastische Schienenunterlage kann vorgesehen werden, die die
Lasteinleitungsbreite der Radlasten
erheblich reduziert. |
|
|
|
Alternativ kann die schwimmende Verbindung mit Kehlnähten ausgeführt
sein. |
|
|
|
Berechnung der effektiven Lastausbreitungslänge |
 |
|
|
|
Die Lasteinleitung eines Kranbahnrads am Obergurt darf im Bereich der
effektiven Lastausbreitungslänge leff als gleichmäßig verteilt angenommen
werden. |
Bezogen auf die Unterkante des oberen Trägerflanschs wird entspr. DIN EN 1993-6, Tab. 5.1,
berechnet. |
|
|
|
lokale Spannungen |
 |
|
Die Kranbahnlast wird über die Schiene in den
Träger
geleitet. |
Bei aufgeschweißter Schiene wird davon ausgegangen, dass die Last
nur über die Schweißnähte in den Träger übertragen wird. |
Lokale Spannungen sind daher sowohl in der Wurzel der Schienennaht
an der Flanschaußenkante des Trägers als auch im Trägersteg am Übergang
zur Ausrundung (gewalztes Profil) oder Schweißnaht (geschweißter Blechträger) zu ermitteln. |
|
 |
|
|
|
|
exzentrische Lasteinleitung |
 |
|
I.A. ist eine Exzentrizität der Radlast am Schienenkopf nicht auszuschließen,
die zu einer Stegbiegung im Bereich des Obergurts führt. |
Die Exzentrizität braucht
allerdings nur bei Kranklassen S3 bis S9
berücksichtigt zu werden (s. EC 3-6, 9.3.3(1)). |
Nach EC 1-3 sollte die Exzentrizität als Bruchteil der Schienenkopfbreite
(s. EC 1-3, 2.5.2.1(2): ey = 0.25·br) angenommen werden. |
|
 |
|
|
Bei quer ausgesteiftem Träger wird die Stegbiegespannung berechnet
mit |
|
|
|
|
|
|
Kranbahn am Untergurt |
 |
|
Eine Kranbahn kann auch am Untergurt angebracht sein.
Im Gegensatz zur Obergurtbahn hängt sie normalerweise
mit beiden
Rädern
an einem Träger,
wobei die Räder links und rechts direkt auf dem unteren Flansch
laufen. |
Der Abstand der Räder vom seitlichen Flanschrand und der Abstand zwischen den Radachsen sind anzugeben. |
|
Bei der Unterflanschkranbahn bleibt eine
ggf. auftretende Horizontallast bei den lokalen Nachweisen
unberücksichtigt. Um die wirksame Lasteinleitungslänge zu berechnen, ist der Nachweisort
anzugeben. |
|
|
wirksame Lasteinleitungslänge |
 |
|
|
|
In Abhängigkeit vom Nachweisort wird die effektive Lastein-leitungslänge
auf dem Untergurt berechnet mit
(DIN EN 1993-6, Tab. 6.2) |
|
|
|
 |
|
|
|
|
wobei gilt |
|
|
lokale Spannungen |
 |
|
Die Biegespannungen, die durch eine Untergurtbahn erzeugt werden, sind
an den bezeichneten Stellen
(0 = Übergang von Steg zum Flansch), (1 = Schwerlinie
der Lasteinleitung) und (2 = äußere Flanschkante)
zu berücksichtigen. |
Unter der Voraussetzung, dass die Radlasteinleitung in einem
Abstand größer
bf vom Trägerende (xe > bf,
s. wirksame Lasteinleitungslänge) erfolgt,
können
die Biegespannungen ermittelt werden mit |
|
Die Koeffizienten dürfen bestimmt werden zu (DIN EN 1993-6, Tab. 5.2; cxi und cyi sind positiv bei Zugspannungen an der Flanschunterseite) |
|
|
|
wobei |
|
|
 |
Geneigte Flansche werden nicht berücksichtigt. |
|
|
|
|
|
Erfolgt die Radlasteinleitung am Trägerende und ist der Unterflansch unverstärkt,
ist die Querbiegespannung mindestens anzunehmen mit |
|
Ist der Abstand zwischen zwei benachbarten Radlasten < 1.5·bf,
sind die für jedes Rad getrennt berechneten Spannungen zu überlagern. |
|
 |
Die Spannungen
werden addiert. |
|
|
|
|
|
|
|
|
|
|
 |
|
|