 |
|
Seite überarbeitet Januar
2024 |
 |
Kontakt |
 |
|
 |
Programmübersicht |
 |
|
 |
Bestelltext |
 |
|
|
Infos auf dieser Seite |
... als pdf |
 |
|
 |
 |
Anschlussparameter ............... |
 |
|
 |
Ergebnisübersicht ................... |
 |
|
 |
Rotationssteifigkeit ................. |
 |
|
 |
Tragfähigkeiten ...................... |
 |
|
 |
Bezeichng. Eingabeparameter |
 |
|
 |
Rotationskapazität .................. |
 |
|
 |
Schnittgrößen ........................ |
 |
|
 |
allgemeine Erläuterungen ...... |
 |
|
 |
Grundkomponenten ............... |
 |
|
 |
... Import Träger / Stütze ........ |
 |
|
 |
Komponentenmethode ........... |
 |
|
 |
Basisverbindungen ................. |
 |
|
 |
... Import Trägerstoß .............. |
 |
|
 |
Nachweis Schweißnähte ....... |
 |
|
 |
Stahlsorten ........................... |
 |
|
 |
Teilschnittgrößen .................... |
 |
|
 |
... Stegsteifen ........................ |
 |
|
 |
Ausdrucksteuerung ............... |
 |
|
|
|
 |
nationale EC-Anhänge ............ |
 |
|
|
|
|
 |
|
 |
Register 1 enthält Angaben zu
den Anschluss- und Materialparametern |
|
|
Allgemeines |
 |
|
Das Programm 4H-EC3IH berechnet biegesteife
Träger-Stützenanschlüsse und Trägerstöße
von Doppel-T-Profilen,
die in Deutschland gängig
und in dem Ringbuch Typisierte Anschlüsse im Stahlhochbau verzeichnet
sind. |
|
Die Eingabedaten können in die Programme 4H-EC3BT, Biegesteifer Trägeranschluss,
oder 4H-EC3RE, Rahmenecke, übertragen
werden. |
|
 |
|
Dazu ist der aktuelle Datenzustand über den Button Daten
exportieren in die Zwischenablage zu
kopieren. |
Diese Daten können anschließend über den Button Daten importieren aus
der Zwischenablage in das aktuell
geöffnete Bauteil eines der anderen Programme übernommen
werden. |
|
|
Material |
 |
|
Das Programm ist in direkter Anlehnung an die Vorgehensweise
zur Anwendung des Ringbuchs konzipiert. |
|
Dazu sind zunächst die
Verbindungsart (Träger-Stütze oder Stoß),
die Stahlfestigkeit
(S 235 oder S 355) und die Schraubenfestigkeits-klasse
(8.8 oder 10.9) festzulegen. |
Es wird stets von HV-Schrauben
ausgegangen. |
|
 |
|
|
Grundsätzlich wird jedem Verbindungselement dasselbe Material zugeordnet. |
|
|
Träger |
 |
|
Bei der Eingabe des Trägers und der Anschlussparameter
ist analog zum Ringbuch vorzugehen, wobei das
Programm die Eingabemöglichkeiten
farblich unterstützt. |
|
Zunächst ist die Profilreihe
vorzugeben. In blau sind Profile der
IPE-Reihe, in grün
die Profile der HE-Reihe aufgelistet. |
|
Die Nennhöhe der Profile
berücksichtigt die im Ringbuch aufgeführten Kombinationen.
In schwarz sind die Nennhöhen dargestellt, die für beide
Profilreihen gelten, in blau und grün diejenigen, die
nur für die IPE- bzw. HE-Reihe gelten. |
|
Der Anschlusstyp berücksichtigt
die bisher vorgegebenen Einstellungen. In der Liste werden
die Typen rot markiert, die
nicht anwendbar sind und
nicht ausgewählt werden können. |
Es gilt |
|
IH1 - 2 Schrauben je Schraubenreihe ohne Überstand |
IH2 - 4 Schrauben je Schraubenreihe ohne Überstand |
IH3 - 2
Schrauben je Schraubenreihe, 1 Reihe im Überstand |
IH4 - 4 Schrauben je Schraubenreihe, 1 Reihe im Überstand |
|
|
|
 |
|
Die Anschlusstypen mit 4 Schrauben in einer Reihe (IH2 und IH4) können nur
für
Trägerstöße verwendet werden. Diesbezüglich erfolgt jedoch keine
Kennzeichnung des Listeninhalts. |
Abschließend ist aus der Liste
die Schraubengröße vorzugeben. Auch hier werden die nicht
zum gewählten
Anschluss passenden Größen rot gekennzeichnet. |
|
Wird in der Ringbuchdatenbank ein entsprechender
Eintrag gefunden, wird die zugehörige Nummer am
Bildschirm dargestellt. |
|
 |
|
Außerdem werden die Abmessungen des Stirnblechs sowie die Schweißnahtdicken
zum Anschluss des Trägers
an das Stirnblech angegeben. |
|
|
Stütze |
 |
|
Wird eine Träger-Stütze-Verbindung nachgewiesen,
können
die Parameter des Stützenprofils ohne
Einschränkungen
eingegeben werden. |
Die P. können entweder
über den
pcae-eigenen Profilmanager in das Programm importiert oder als
parametrisiertes Stahlprofil eingegeben werden. |
|
Um ein Profil aus dem Angebot des Profilmanagers zu
wählen, ist der grün unterlegte Pfeil zu betätigen. |
Das Programm kann Träger-Stützen-Anschlüsse
oder Träger-
stöße mit Doppel-T-Profilen berechnen,
die als I, H-, DIL-, S-
oder W-Profile
pcae-intern bekannt sind. |
Das externe Programm wird aufgerufen und ein Profil
kann
aktiviert werden. Bei Verlassen des Profilmanagers werden die
benötigten Daten übernommen und der Profilname protokolliert. |
|
 |
|
|
Zur Definition eines parametrisierten
Profils sind Profilhöhe, Stegdicke, Flanschbreite und -dicke
festzulegen. |
Bei gewalzten Profilen wird der Ausrundungsradius
r zwischen Flansch und Steg geometrisch berücksichtigt,
während geschweißte Blechprofile mit Schweißnähten
der Dicke a zusammengefügt sind. |
Diese Schweißnähte werden nicht nachgewiesen. |
|
 |
|
|
|
Verstärkungen |
 |
|
Stützenprofile können zur Verstärkung
des Stegs mit Stegsteifen ausgeführt
werden. |
|
Stegsteifen (Rippen) werden beidseitig des Stegs zwischen
die Flansche eingepasst und an Flansche und Steg
der Stütze
angeschweißt. |
|
Zur Bemessung der Stegsteifen. |
|  |
|
|
|
Bildschirmgrafik |
 |
|
Am Bildschirm werden die geometrischen Daten ausgewertet
und der Anschluss in einer maßstäblichen Grafik dargestellt.
Die protokollierten Abstände sind bezeichnet. |
|
 |
|
|
|
|
 |
|
 |
im Register 2 werden die Tragfähigkeiten
des Anschlusses tabellarisch dargestellt |
|
|
Die Ausgabe erfolgt in direkter Anlehnung an das Kapitel Momententragfähige Träger-Stützenanschlüsse und Trägerstöße mit
Stirnplatte des Ringbuchs Typisierte Anschlüsse im Stahlhochbau
nach EC 3-1-8. |
|
Die Berechnung hingegen basiert auf der Vorgehensweise,
die im
pcae-Modul 4H-EC3BT für biegesteife
Träger-Stützenanschlüsse und Trägerstöße
verwendet wird. |
Der Rechenablauf für geschraubte Stirnblechanschlüsse
wird im Kapitel Komponentenmethode beschrieben. |
Die Rotationssteifigkeit der
Verbindung wird ermittelt, und der Querschnittsnachweis des
Trägers wird
geführt. |
|
Voraussetzungen |
 |
 |
geschraubter Stirnblechanschluss |
|
|
 |
Träger: keine Vouten, keine Neigung |
|
|
 |
Stütze: keine Stegblechverstärkung,
kein Futterblech |
|
|
 |
horizontale Steifen in Höhe des oberen
und unteren Trägerflanschs: zwischenliegende Steifen, |
Dicke der Steifen entspricht der Flanschdicke
des Trägers, |
Breite der Steifen entspricht mindestens der Flanschbreite
des
Trägers, |
Schweißnahtdicken
entsprechen der Nahtdicke zwischen Trägerflansch und
Kopfplatte |
|
|
 |
Schnittgrößen: kleine Normalkraft im Träger N/Npl ≤ 0.05; Druckspannung im Stützensteg σcom,wc ≤ 0.7·fy,wc |
|
|
 |
|
 |
Querschnittsnachweis: Elastisch-Plastisch, |
Biege-
und Querkrafttragfähigkeit
nach der Komponentenmethode: keine Schraubengruppen, |
Schweißnachweis: richtungsbezogenes Verfahren, |
Nachweis der Steifen |
|
|
 |
Bedingung: VEd ≤ 0.5·Vpl,Rd |
|
|
|
|
Es wird unterschieden, ob lediglich Tragfähigkeiten
ermittelt oder Nachweise für eingegebene Schnittgrößenkombinationen geführt werden. |
|
|
|
Sind keine Schnittgrößen vorgegeben, werden
die Anfangsrotationssteifigkeit Sj,ini, der Bemessungswert
der Momententragfähigkeit Mj1,Rd bei positivem
Moment, Mj2,Rd bei negativem Moment, die Querkrafttragfähigkeit
Vj,Rd
und die plastische Momententragfähigkeit des Trägerquerschnitts
Mc,Rd angezeigt. |
|
|
|
Sind jedoch Schnittgrößen vorhanden,
wird anstelle der Anfangsrotationssteifigkeit Sj,ini die Rotationssteifigkeit
Sj,Rd unter der gegebenen Belastung angegeben. |
Da die Tragfähigkeit eines Anschlusses in Abhängigkeit der einwirkenden
Schnittgrößenkombination variiert,
können sich die Zahlenwerte
für Mj1,Rd,
Vj,Rd und Mc,Rd von denjenigen ohne Schnittgrößen unterscheiden. |
|
|
|
 |
|
 |
das dritte Register beinhaltet die
Masken zur Eingabe der Bemessungsschnittgrößen |
|
 |
|
 |
|
Das Programm 4H-EC3IH bietet verschiedene
Möglichkeiten
zur Eingabe der Schnittgrößen an |
 |
werden die Schnittgrößen aus
einem Tragwerks-Programm übernommen, sind häufig
nur die Schnittgrößen im Knotenpunkt der
Systemachsen von Träger und Stütze (s. Grafik Knoten j)
verfügbar. |
Hier wird die Vorzeichendefinition der Statik vorausgesetzt. |
Das Vorzeichen der
Querkraft ist in Abhängigkeit der Definition
des Schnittufers in der Tragwerksbemessung
ggf. zu invertieren (s.u.). |
|
|
 |
Schnittgrößen im Anschnitt der
Verbindung: Da der Anschluss eines Trägers an eine
Stütze bemessen
werden
soll, werden die Schnittgrößen
direkt im Anschnitt (s. Grafik Schnitt A-A)
bezogen auf die Systemachse erwartet. |
Die Vorzeichendefinition kann entweder
derjenigen der Statik oder derjenigen des EC 3-1-8 entsprechen. |
Entspricht die Vorzeichendefinition der
Statik, ist die Querkraft in Abhängigkeit
der Definition des Schnittufers in der Tragwerksbemessung
ggf. zu invertieren (s.o.)! |
|
|
|
Es werden Trägerschnittgrößen
eingegeben. |
Bei
einseitigem Anschluss wirken die T. rechts (s. Grafik Schnitt A-A,
im EC 3-1-8 mit
1 bezeichnet) vom Anschlusspunkt. |
Zur Identifikation kann jeder Schnittgröße
eine Bezeichnung (Kurzbe-
schreibung) zugeordnet werden,
die im Ausdruck aufgeführt wird. |
Die Schnittgrößen werden in die intern verwendeten Bemessungsgrößen transformiert. |
|
 |
|
|
Vorzeichen der Querkraft
|
 |
Bei negativem Schnittufer ist das Vorzeichen der Querkraft
zu invertieren. |
Dies gilt z.B. bei einem Träger, der im Tragwerks-Programm
von links nach rechts beschrieben wurde (gestrichelte
Linie unterhalb der Systemlinie) und dessen Anschluss an die Stütze
sich rechts befindet. |
|
 |
|
Schnittgrößen importieren |
 |
Detailnachweisprogramme zur Bemessung von Anschlüssen (Träger/Stütze, Träger/Träger), Fußpunkten
(Stütze/Fundament) etc.
benötigen
Schnittgrößenkombinationen, die häufig von einem Tragwerksprogramm
zur Verfügung gestellt werden. |
Dabei handelt es sich i.d.R. um
eine Vielzahl von Kombinationen, die im betrachteten
Bemessungsschnitt des übergeordneten Tragwerkprogramms vorliegen
und in das Anschlussprogramm übernommen werden sollen. |
|
pcae stellt neben der 'per Hand'-Eingabe
zwei verschiedene Mechanismen zur Verfügung, um Schnittgrößen
in das vorliegende Programm zu integrieren. |
|
 |
|
 |
Import aus einer Text-Datei |
|
Die Schnittgrößenkombinationen können
aus einer Text-Datei im ASCII-Format eingelesen werden. |
Die Datensätze müssen in der Text-Datei in
einer bestimmten Form vorliegen; der entsprechende Hinweis wird bei
Betätigen des Einlese-Buttons gegeben. |
Anschließend wird der
Dateiname einschl. Pfad der entsprechenden Datei abgefragt. |
Es werden sämtliche vorhandenen
Datensätze
eingelesen und in die Tabelle übernommen.
Bereits bestehende
Tabellenzeilen bleiben erhalten. |
Wenn keine Daten gelesen werden können, erfolgt eine entsprechende
Meldung am Bildschirm. |
|
|
 |
Import aus einem 4H-Programm |
|
Voraussetzung zur Anwendung des DTE®-Import-Werkzeugs
ist, dass sich ein pcae-Programm
auf dem Rechner befindet, das
Ergebnisdaten
exportieren
kann. |
Die Importschnittgrößen werden
nur im Statik-Koordinatensystem übertragen (s.o.). |
|
|
|
|
|
 |
|
Die statische Berechnung eines Bauteils beinhaltet
i.A. die Modellbildung mit anschließender Berechnung
des Tragsystems sowie nachfolgender Einzelnachweise
von Detailpunkten. |
Bei der Beschreibung eines Details sind die zugehörenden
Schnittgrößen aus den Berechnungsergebnissen des Tragsystems zu extrahieren
und
dem Detailnachweis zuzuführen. |
In der 4H-Programmorganisation gibt es hierzu verschiedene Vorgehensweisen |
 |
zum einen können Tragwerks- und Detailprogramm
fest miteinander verbunden sein, d.h. die Schnittgrößenüber-
gabe
erfolgt intern. Es sind i.A. keine weiteren Eingaben
(z.B. Geometrie) notwendig, aber auch möglich (z.B.
weitere Belastungen), die Programme bilden eine Einheit. |
Dies ist z.B. bei dem 4H-Programm Stütze
mit Fundament der Fall. |
|
 |
zum anderen können Detailprogramme Schnittgrößen von in Tragwerksprogrammen speziell festgelegten Exportpunkten über ein zwischengeschaltetes Export/Import-Tool einlesen. |
Das folgende Beispiel eines einfachen Rahmens erläutert diesen 4H-Schnittgrößen-Export/Import. |
|
|
|
Zunächst sind im exportierenden 4H-Programm
(z.B.
4H-FRAP) die Stellen zu kennzeichnen,
deren Schnitt-
größen beim nächsten Rechenlauf exportiert, d.h.
für
den Import bereitgestellt, werden sollen. |
Um sinnvoll einen Träger-Stützenanschluss nachzuweisen,
sollte bereits bei der Modellbildung im Stabwerksprogramm
darauf geachtet werden, dass die Profile nur über
die starken Achsen abtragen. |
|
In diesem Beispiel sollen die Schnittgrößen
für einen
Träger-Stützenanschluss übergeben werden. |
Dazu ist
je ein Kontrollpunkt am Riegelanschnitt
(vereinf. bei hStütze/2)
und am Stützenanschnitt
(vereinf. bei hTräger/2)
zu setzen. |
|
Ausführliche Informationen zum Export entnehmen
Sie
bitte dem DTE®-Schnittgrößenexport. |
|
 |
|
|
Nach einer Neuberechnung des Rahmens stehen die Exportschnittgrößen
dem aufnehmenden 4H-Programm
(z.B. 4H-EC3BT, 4H-EC3RE, 4H-EC3IH, 4H-EC3IM) zum Import zur Verfügung. |
|
|
dazu wird zunächst im
Register zur Eingabe der Bemessungsgrößen
festgelegt, ob die Schnittgrößen
im
Schnittpunkt der Systemachsen (Knoten) oder im
Anschnitt der Verbindung eingelesen werden. |
Das exportierende Programm liefert die Schnittgrößen
stets im Statik-Koordinatensystem. |
|
 |
|
|
|
Bei Träger-Stützenverbindungen erfolgt der Nachweis
im Anschnitt Träger/Stütze
bzw. Stirnblech/Stütze. |
Sind die Schnittgrößen im Schnittpunkt
der Systemachsen gegeben, werden sie
programmintern in Anschnittschnittgrößen
umgerechnet. |
|
|
aus dem aufnehmenden 4H-Programm
wird nun über den Import-Button das
Fenster zur
DTE®-Bauteilauswahl aufgerufen |
|
|
|
Zunächst erscheint ein Infofenster, das den Anwender
auf die wesentlichen Punkte hinweist. |
Es besteht die Möglichkeit,
den Import an dieser Stelle abzubrechen, um ggf. das exportierende
Programm
entsprechend vorzubereiten. |
|
Nach Bestätigen des Infofensters wird die DTE®-Bauteilaus-
wahl aktiviert. |
|
 |
|
|
In der Bauteilauswahl werden alle berechneten
Bauteile nach Verzeichnissen sortiert dargestellt, wobei diejenigen,
die Schnittgrößen
exportiert haben, dunkel gekennzeichnet sind. |
|
|
|
Das gewünschte Bauteil kann nun markiert und über
den bestätigen-Button ausgewählt
werden. Alternativ kann
durch Doppelklicken des Bauteils direkt in die DTE®-Schnittgrößenauswahl verzweigt
werden. |
|
In der Identifizierungsphase der
Schnittgrößenauswahl werden alle verfügbaren Schnitte des ausgewählten Bauteils
angezeigt, wobei diejenigen Schnitte deaktiviert sind, deren Material nicht kompatibel mit dem Detailprogramm ist. |
|
|
|
Nun werden die Schnitte den einzelnen
Abteilungen in der Schnittgrößentabelle
(hier Träger, Stütze) zugeordnet. |
Dazu wird der entsprechende Eintrag (hier Schnitt
1) angewählt und der zugehörigen Zeile in der dann folgenden
Tabelle zugewiesen (hier Träger (rechts)). |
Ist eine
Abteilung festgelegt, werden die in Frage kommenden
möglichen Alternativen für die noch nicht festgelegte Abteilung
mit einem Pfeil gekennzeichnet. |
|
sind nicht ausreichend Schnitte
vorhanden, kann die DTE®-Schnittgrößenauswahl nur über den
abbrechen-Button verlassen werden,
ein Import ist dann nicht möglich. |
|
|
|
Zur visuellen Kontrolle werden in einem nebenstehenden
Fenster die definierten Schnitte angezeigt. |
|
|
erst wenn sämtliche Schnitte zugeordnet
sind, ist die Identifizierungsphase abgeschlossen und
die Schnittgrößenauswahl folgt. |
|
|
|
 |
|
|
Es werden die verfügbaren
Schnittgrößenkombinationen der gewählten Schnitte
angeboten, die über das
'+'-Zeichen am linken Rand aufgeklappt werden
können. |
|
 |
|
Die Kombinationen können beliebig zusammengestellt
werden. |
|
über den nebenstehend dargestellten Button kann die Anzahl an Schnittgrößenkombinationen
durch Abwahl doppelter Zeilen häufig stark reduziert werden |
|
|
|
Wenn eine Reihe von Anschlüssen gleichartig ausgeführt werden soll, können in einem Rutsch weitere Schnitt-
größen anderer Schnitte aktiviert und so bis zu 10.000 Kombinationen übertragen werden. |
|
|
wird das Import-Modul über den bestätigen-Button verlassen, werden
die Schnittgrößen übernommen und für
das importierende Programm aufbereitet. |
|
|
|
 |
pcae gewährleistet
durch geeignete Transformationen,
dass die
Schnittgrößen
sowohl im KOS des importierenden Programms vorliegen,
als auch - bei mehrschnittigen
Verbindungen
- einander
zugehörig
sind, d.h. dass Träger- und Stützenschnittgrößen
aus derselben Faktorisierungsvorschrift entstanden sind. |
|
|
|
|
In einem Infofenster werden die eigene Auswahl
fett und die aus der Faktorisierungsvorschrift
berechneten Schnittgrößen eines anderen Schnitts in normaler
Schriftdicke dargestellt. |
|
 |
|
Auch an dieser Stelle besteht wieder
die Möglichkeit, doppelt vorkommende Zeilen
zu ignorieren. |
|
Das aufnehmende Programm bestückt nun
die Schnittgrößentabelle. |
|
|
|
|
 |
|
Bei der Übernahme erfolgen Plausibilitätschecks
und ggf. Meldungen. |
|
 |
Eine Aktualisierung der importierten Schnittgrößenkombinationen, z.B. aufgrund einer Neuberechnung
des exportierenden Tragwerks, erfolgt nicht! |
|
|
|
|
Besonderheiten bei Verbindungen
mit durchlaufender Stütze bzw. bei Rahmenecken mit Kragarm |
 |
Träger-Stützenverbindungen mit durchlaufender
Stütze benötigen i.A. Schnittgrößeninformationen in drei Schnitten:
an Träger und Stütze (unten) wie beschrieben,
sowie die Querkraft im Stützenschnitt oberhalb des Trägers. |
Bei liegenden Rahmenecken (Variante 2)
können zusätzlich zu den Schnitten an Träger (rechts)
und Stütze die Schnittgrößen am Kragarm (Träger) links
der
Stütze eingegeben
werden. |
|
Um die Schnittgrößen des dritten
Schnitts zu importieren, ist der entsprechende Button
zu aktivieren. Für ... |
|
4H-EC3BT (Träger-Stützenanschluss) |
|
 |
|
4H-EC3RE (Rahmenecke) |
|
 |
|
|
|
Der weitere Ablauf erfolgt analog wie oben beschrieben. |
|
|
|
 |
|
Die statische Berechnung eines Bauteils beinhaltet
i.A. die Modellbildung mit anschließender Berechnung
des Tragsystems sowie nachfolgender Einzelnachweise
von Detailpunkten. |
Bei der Beschreibung eines Details sind die zugehörenden
Schnittgrößen aus den Berechnungsergebnissen des Tragsystems zu extrahieren
und
dem Detailnachweis zuzuführen. |
|
In der 4H-Programmorganisation gibt es hierzu verschiedene
Vorgehensweisen |
 |
zum einen können Tragwerks- und Detailprogramm
fest miteinander verbunden sein, d.h. die Schnittgrößenüber-
gabe
erfolgt intern. Es sind i.A. keine weiteren Eingaben
(z.B. Geometrie) notwendig, aber auch möglich (z.B.
weitere Belastungen), die Programme bilden eine Einheit. |
Dies ist z.B. bei dem 4H-Programm Stütze
mit Fundament der Fall. |
|
 |
zum anderen können Detailprogramme Schnittgrößen von in Tragwerksprogrammen speziell festgelegten Exportpunkten über ein zwischengeschaltetes Export/Import-Tool einlesen |
Das folgende Beispiel eines einfachen Rahmens erläutert diesen 4H-Schnittgrößen-Export/Import. |
|
|
|
Zunächst sind im exportierenden 4H-Programm
(z.B.
4H-FRAP) die Stellen zu kennzeichnen, deren Schnitt-größen beim nächsten Rechenlauf exportiert, d.h.
für
den Import bereitgestellt, werden sollen. |
|
In diesem Beispiel sollen die Schnittgrößen
für eine Querschnittsbemessung übergeben werden. |
Dazu
ist an der entsprechenden Stelle ein Kontroll-
punkt zu setzen. |
|
Ausführliche Informationen zum Export entnehmen
Sie
bitte dem DTE®-Schnittgrößenexport. |
Nach einer Neuberechnung des Rahmens stehen die Exportschnittgrößen
dem aufnehmenden 4H-Programm (z.B. 4H-BETON, 4H-EC3SA, 4H-EC3IH, 4H-EC3IM) zum Import zur Verfügung. |
|
|
 |
|
|
 |
aus dem aufnehmenden 4H-Programm
wird nun über den Import-Button das
Fenster zur
DTE®-Bauteilauswahl aufgerufen.
Hier werden alle berechneten Bauteile dargestellt, wobei diejenigen,
die Schnittgrößen
exportiert haben, dunkel gekennzeichnet sind. |
|
|
Das gewünschte Bauteil kann nun markiert und über
den bestätigen-Button ausgewählt
werden. Alternativ kann
durch Doppelklicken des Bauteils direkt in die DTE®-Schnittgrößenauswahl verzweigt
werden. |
|
 |
|
In der Schnittgrößenauswahl werden die verfügbaren
Schnittgrößenkombinationen aller im übergebenden
Programm gekennzeichneten Schnitte angeboten. Dabei sind diejenigen Schnitte
deaktiviert, deren Material nicht kompatibel
mit dem Detailprogramm ist. |
Es wird nun der Schnitt angeklickt und damit geöffnet, dessen Schnittgrößen
eingelesen werden sollen. |
|
 |
|
In 4H-EC3SA
ist der komplette verfügbare Schnittgrößensatz importierbar, was durch gelbe Hinterlegung der
Spalten angezeigt wird. |
Die Schnittgrößenkombinationen können beliebig zusammengestellt
werden; pcae empfiehlt jedoch, nur diejenigen
auszuwählen, die als
Bemessungsgrößen für den zu führenden Detailnachweis
relevant sind. |
|
|
ein nützliches Hilfsmittel
bietet dabei der dargestellte Button, mit dem die Anzahl zu übertragender Lastkombinationen durch Eliminierung doppelter Zeilen stark reduziert werden kann. |
|
|
|
Wird nun die DTE®-Schnittgrößenauswahl bestätigt,
bestückt das Importprogramm die Schnittgrößentabelle,
wobei ggf. vorhandene Kombinationen erhalten bleiben. |
|
 |
|
Wenn eine Reihe von Anschlüssen gleichartig ausgeführt werden soll, können in einem Rutsch weitere Schnitt-
größen anderer Schnitte aktiviert und so bis zu 10.000 Kombinationen übertragen werden. |
|
|
Die Kompatibilität der Querschnitts- und Nachweisparameter
zwischen exportierendem und importierendem Programm ist zu gewährleisten. |
|
|
|
Eine Aktualisierung der importierten Schnittgrößenkombinationen, z.B. aufgrund einer Neuberechnung
des exportierenden Tragwerks, erfolgt nicht! |
|
|
|
|
|
|
|
|
|
 |
|
 |
das vierte Register gibt einen Überblick über die ermittelten Ergebnisse |
|
|
 |
|
Zur sofortigen Kontrolle und des besseren Überblicks
halber werden die Ergebnisse in diesem Register lastfallweise übersichtlich
zusammengestellt. |
Eine Box zeigt an, ob ein Lastfall die Tragfähigkeit
des Anschlusses überschritten hat (rot ausgekreuzt) oder wie viel Reserve noch vorhanden ist (grüner Balken). |
Zur besseren Fehleranalyse oder zur Einschätzung
der Tragkomponenten werden zudem die Einzelberechnungs-
ergebnisse
protokolliert. |
Rotationssteifigkeit und Verdrehung sind ebenfalls
dargestellt. |
|
Eine Meldung zeigt an, wenn ein Fehler aufgetreten
oder die Tragfähigkeit überschritten ist. |
Wenn die
Ursache des Fehlers nicht sofort ersichtlich ist, sollte
die Druckliste in der ausführlichen Ergebnisdarstellung geprüft
werden. |
|
|
|
 |
|
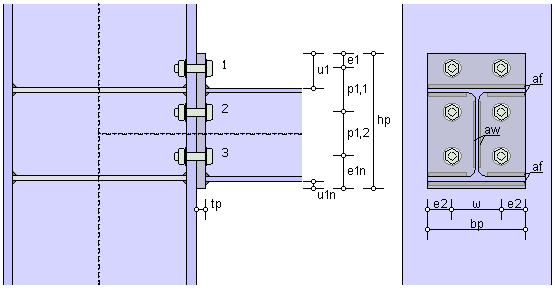
In der nachfolgenden Grafik sind die Parameterbezeichnungen
aufgeführt, auf die im Programm Bezug genommen wird, wenn ein
(vertikaler) Träger-Stützenanschluss berechnet werden soll. Bei einem Trägerstoß gelten
die Parameterbezeichnungen ebenso (ohne bfc, e'1,
e'2). |
|
 |
|
Grundlage zur Bemessung diverser Schraubenverbindungen
ist das Modell eines äquivalenten T-Stummels. |
Die Bezeichnung der Abstände ist in der folgenden Skizze
beschrieben. |
|
 |
|
|
|
 |
|
Die Komponentenmethode ermöglicht die Berechnung
beliebiger Anschlüsse von Doppel-T-Profilen für Tragwerksberechnungen
(EC 3-1-8, 6.1.1). |
Die Voraussetzungen für das Verfahren sowie die
zur Anwendung kommenden Grundkomponenten sind im
Kapitel Allgemeines beschrieben. |
Im Programm 4H-EC3IH werden Träger-Stützenanschlüsse und Trägerstöße
berechnet. |
Nach EC3-1-8 wird die Biegetragfähigkeit des
Anschlusses aus den Tragfähigkeiten der einzelnen Grundkomponenten
ermittelt und der einwirkenden Bemessungsgröße
gegenübergestellt. |
Im Folgenden wird die Vorgehensweise zur Bemessung
von geschraubten
Stirnblech-Verbindungen
mit
der Komponentenmethode nach EC3-1-8, 6.2.7, erläutert. |
|
|
geschraubte Stirnblechverbindung |
 |
|
|
Die Biege- und Zugtragfähigkeit
des Anschlusses wird
auf Seite der |
 |
Stütze
mit den Grundkomponenten 1 bis
4 |
 |
des Trägers mit den Grundkomponenten
7, 8 |
 |
des Stirnblechs mit Grundkomponente
5 |
|
ermittelt. |
|
Bei der Tragfähigkeit
der Schrauben wirken für die Abscher-Lochleibungstragfähigkeit
die Grundkomponenten
11 und 12, für die Zugtragfähigkeit
die Grundkomponente 10. |
|
Die Tragfähigkeit
der Schweißnähte zwischen
Träger und Stirnblech wird
über
den Linienquerschnitt mit einbezogen. |
|
|
|
 |
|
|
Biege- und Zugtragfähigkeit
mit der Komponentenmethode |
 |
|
Nach EC 3-1-8, 6.2.7.2, wird die Biegetragfähigkeit
von Träger-Stützenanschlüssen und Trägerstößen mit
geschraubten Stirnblechverbindungen bestimmt mit |
|
|
|
Im Überstand darf sich nur eine
Schraubenreihe befinden. |
Der Druckpunkt einer Stirnplattenverbindung
sollte im Zentrum des Spannungsblocks infolge der
Druckkräfte liegen
(EC 3-1-8, 6.2.7.1(9)), vereinfachend
in der Achse der Mittelebene des Trägerdruckflanschs
(EC 3-1-8, 6.2.7.2(2)). |
Die Nummerierung der Schraubenreihen
geht von der Schraubenreihe aus, die am weitesten
vom Druckpunkt
entfernt liegt (EC 3-1-8, 6.2.7.2(1)). |
Die wirksame Tragfähigkeit einer
Schraubenreihe r sollte als Minimum der Tragfähigkeiten
einer einzelnen Schraubenreihe der Gkn 3, 4, 5,
8 bestimmt werden, wobei ggf. noch Reduktionen aus
den Gkn 1, 2, 7
vorzunehmen sind. |
Die Tragfähigkeit
der Schraubenreihe als Teil einer Gruppe von Schraubenreihen
wird nicht untersucht. |
Bei Trägerstößen werden die Grundkomponenten, die die Stütze betreffen, außer Betracht gelassen
(EC 3-1-8, 6.2.7.2(10). |
Um ein mögliches Schraubenversagen
auszuschließen, ist die Forderung nach EC 3-1-8,
6.2.7.2(9), einzuhalten. |
|
Wird die wirksame Tragfähigkeit
einer zuerst berechneten Schraubenreihe
x
größer als 1.9·Ft,Rd,
ist die wirksame Tragfähigkeit aller
weiteren Schraubenreihen r zu reduzieren,
um folgender Bedingung
zu
genügen |
|
 |
|
|
Im Programm 4H-EC3IH werden
zunächst die minimalen Tragfähigkeiten
aus den maßgebenden
Grundkomponenten ermittelt (Beispielberechnung). |
|
Anschließend erfolgen reihenweise
die Abminderungen für einzelne Schraubenreihen. |
|
Für die jeweils kleinste Tragkraft
wird die Kontrolle durchgeführt |
|
und das Ergebnis schlussendlich protokolliert. |
|
 |
|
Jede der Grundkomponenten,
die die Tragfähigkeit einer Schraubenreihe
herabgesetzt hat (gekennzeichnet durch
ein >-Zeichen), wird als mögliche Versagensquelle
des Anschlusses protokolliert. |
|
|
Die Biegetragfähigkeit ergibt
sich damit zu |
|
und die Ausnutzung zu |
|
 |
|
wobei das einwirkende
Moment auf den Druckpunkt in der Anschlussebene
(die Kontaktebene zwischen
Stirnblech und Stütze bzw. bei Stößen zwischen den Stirnblechen)
bezogen ist. |
|
|
Abscher-/Lochleibungstragfähigkeit
mit der Komponentenmethode |
 |
|
|
Auch hier werden zunächst die
minimalen Tragfähigkeiten aus den maßgebenden
Grundkomponenten
ermittelt (Beispielberechnung). |
|
Nach EC 3-1-8, Tab. 3.4, reduziert
sich
die Tragfähigkeit
bei gleichzeitiger Wirkung von Querkraft und Zugnormalkraft
bei voller Ausnutzung der Biegetragfähigkeit
zu |
|
so dass sich die endgültigen Tragfähigkeiten
je Schraubenreihe ergeben zu |
|
Die Abscher-Lochleibungstragfähigkeit
ergibt sich damit zu |
|
und die Ausnutzung zu |
|
|
|
|
|
|
|
 |
zur Hauptseite 4H-EC3IH, Typisierter IH-Anschluss |
 |
|
 |